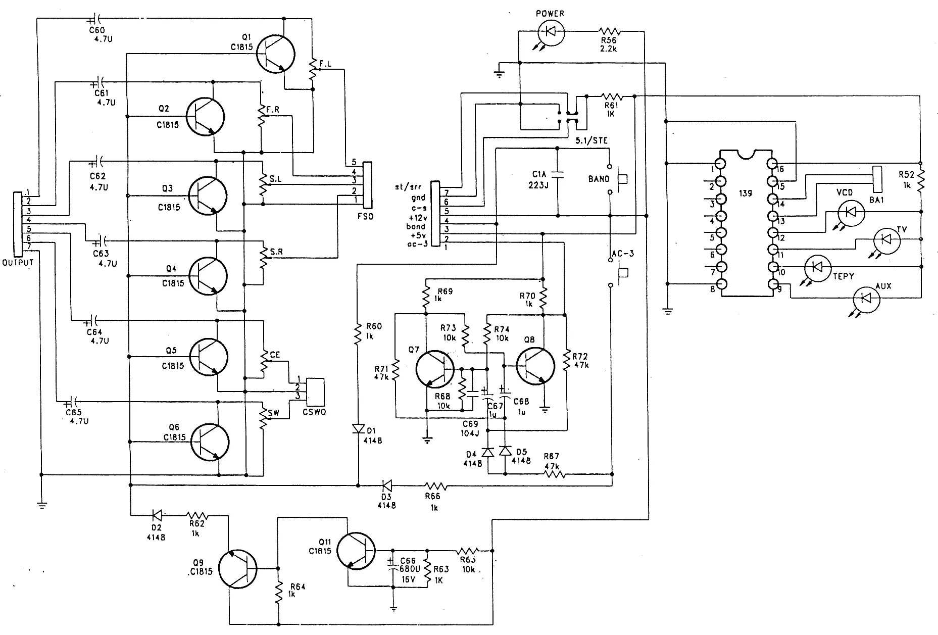
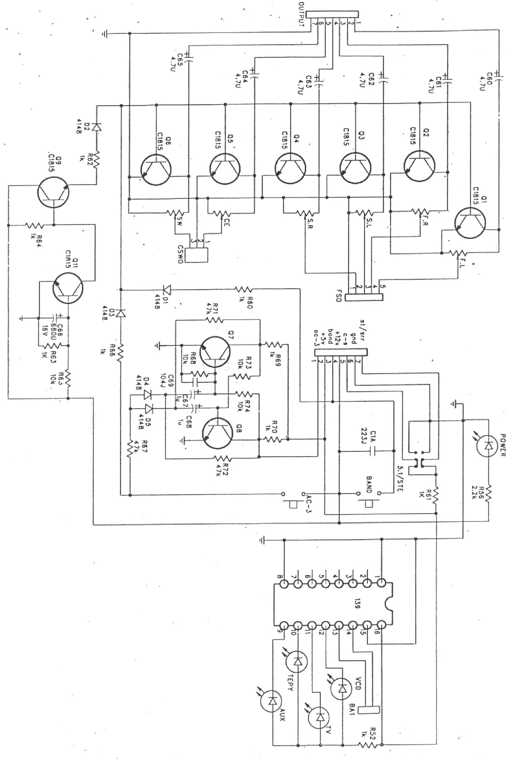
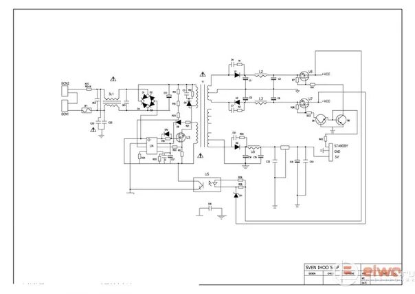
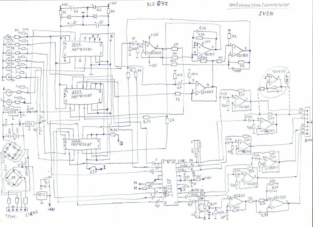
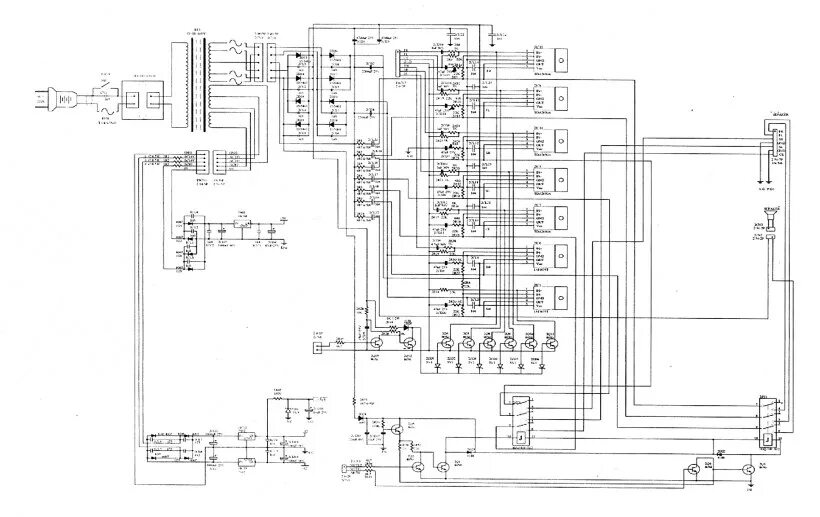
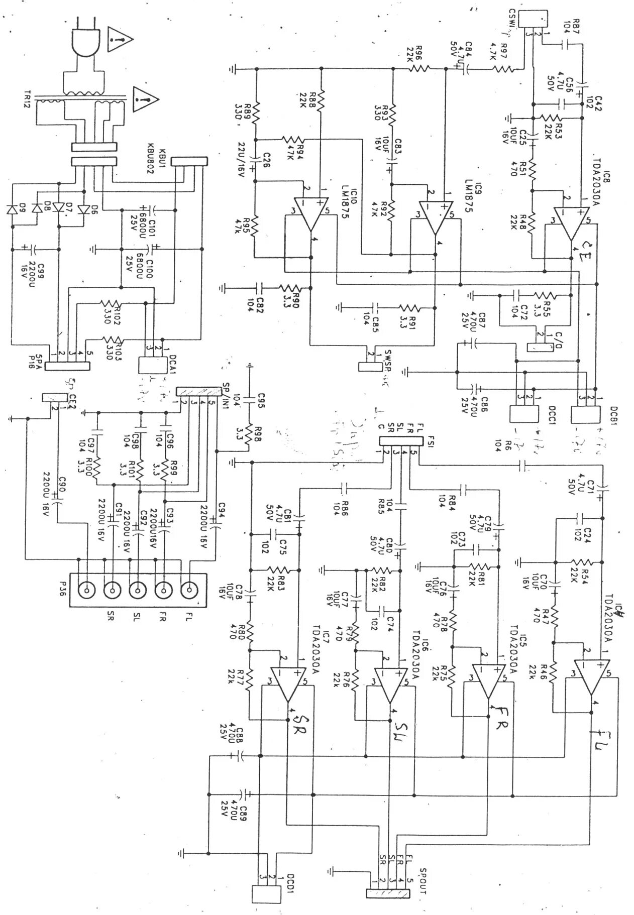
Ihoo mt 5.1 схема