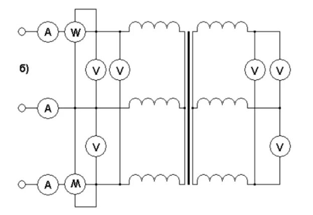
Холостой ход трехфазного трансформатора