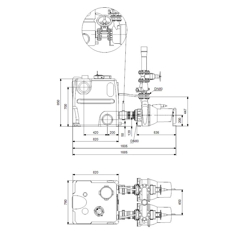
Grundfos multilift md