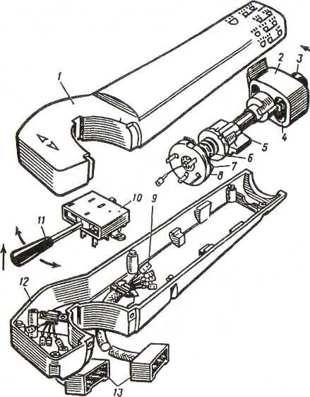
Гитара камаз старого образца