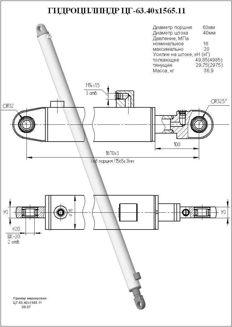
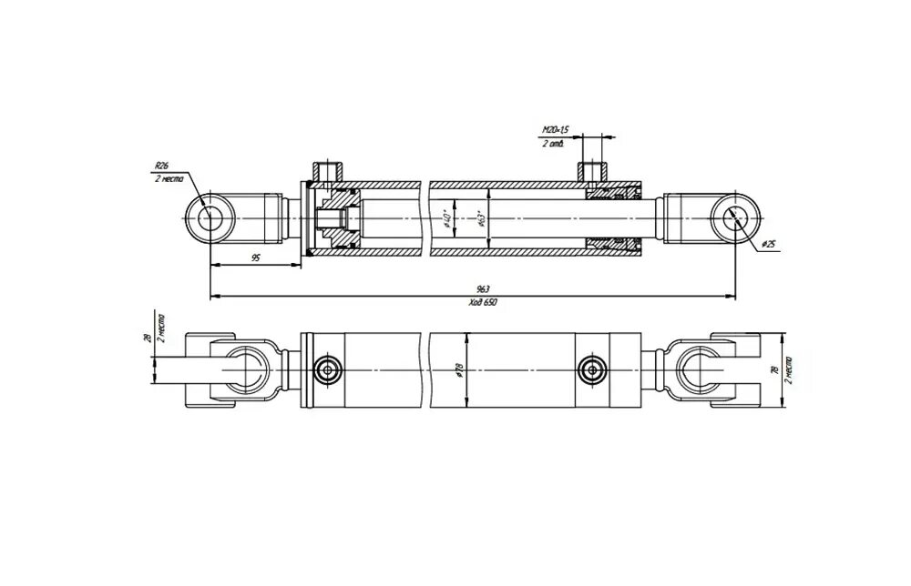
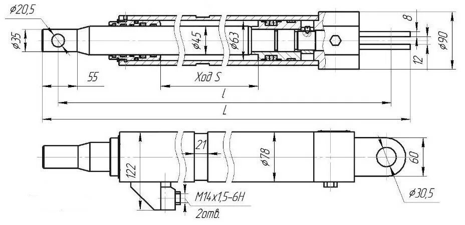
Гидроцилиндры выдвижения опор