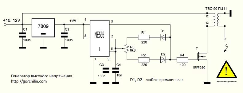
Генераторы выходного напряжения