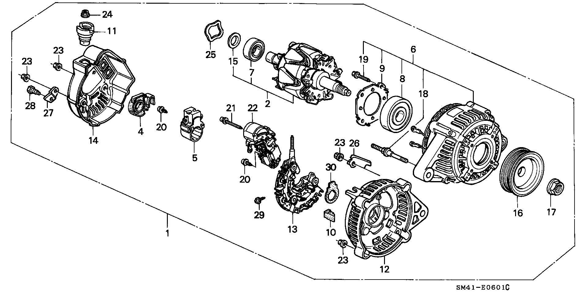
Генератор срв 3 2.4