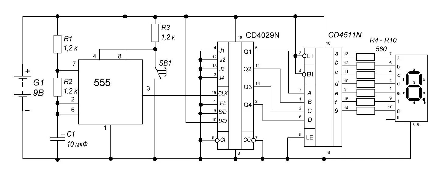
Генератор систем чисел