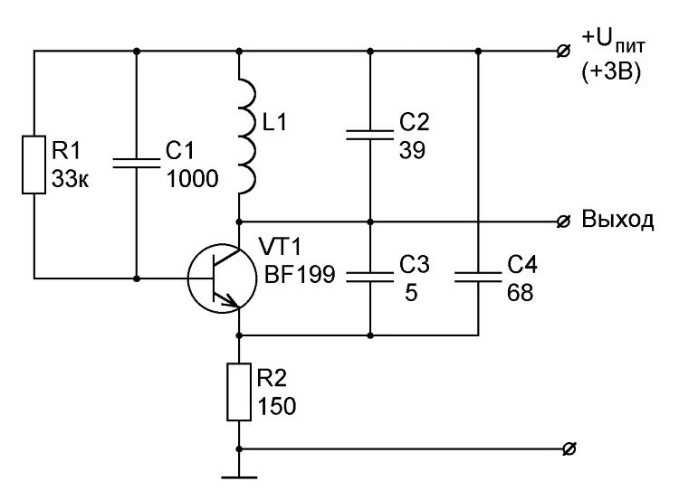
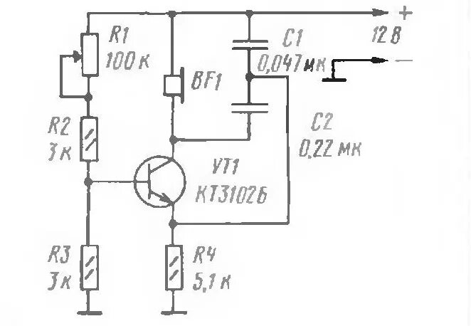
Генератор на одном транзисторе схема