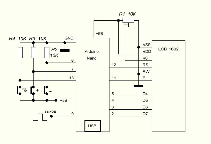
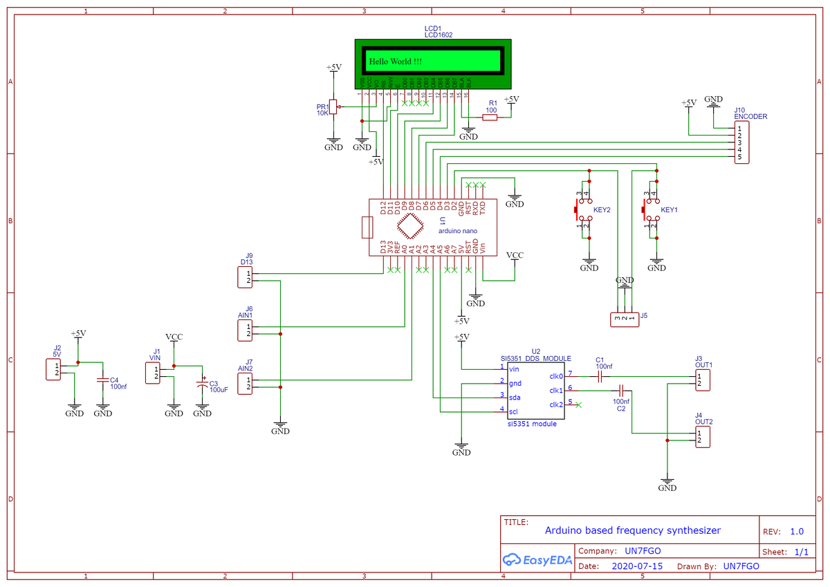
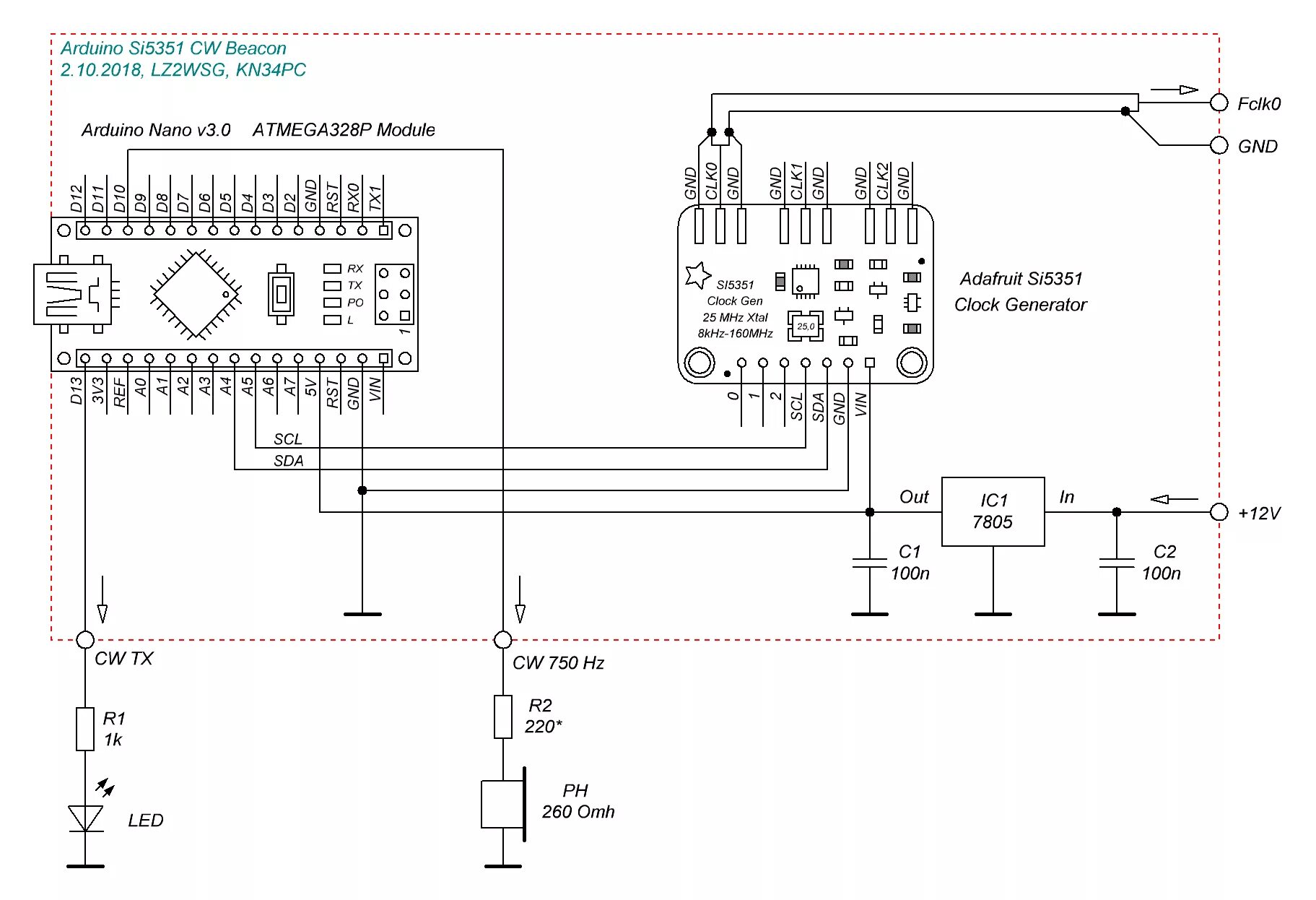
Генератор частоты на ардуино