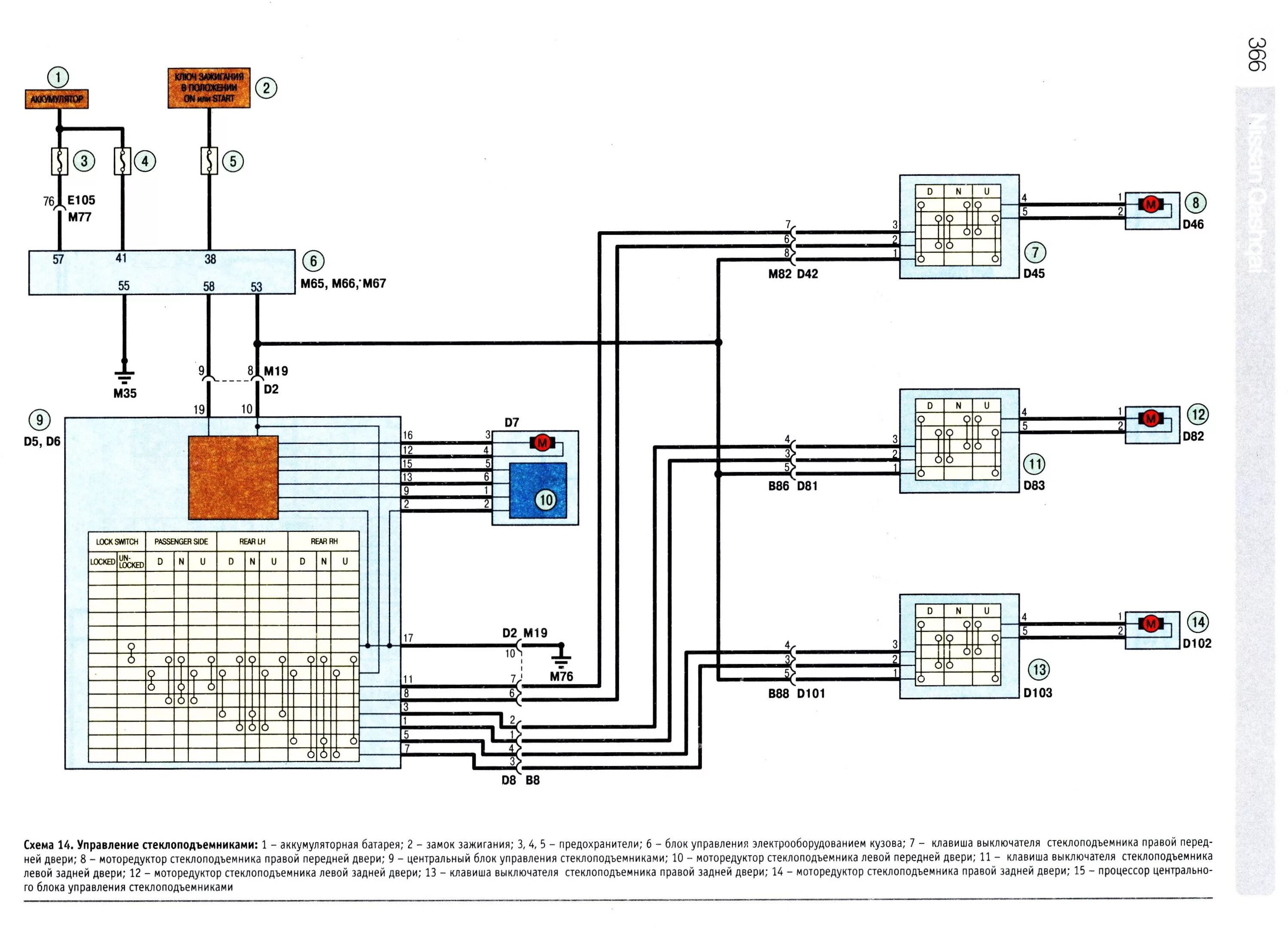
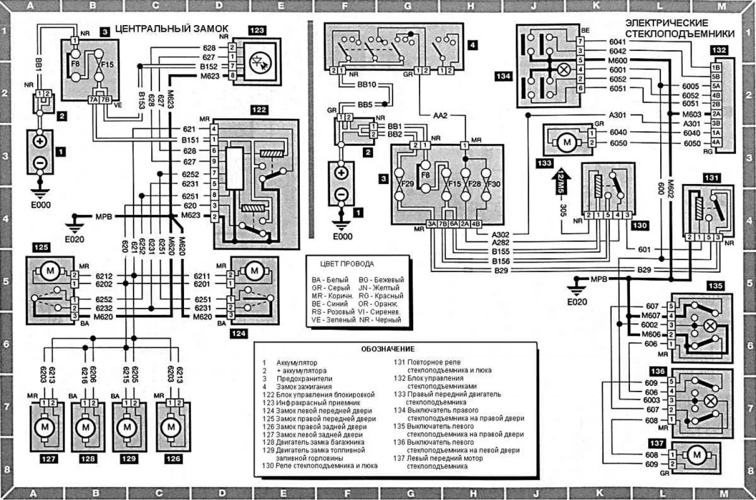
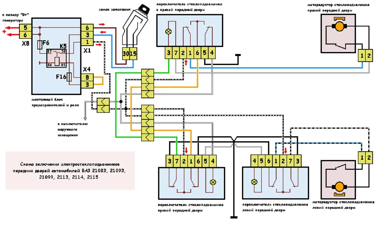
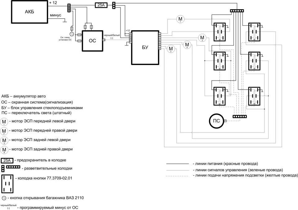
Где находится блок управления стеклоподъемниками