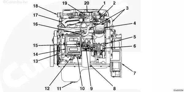
Газель камминз схема двигателя