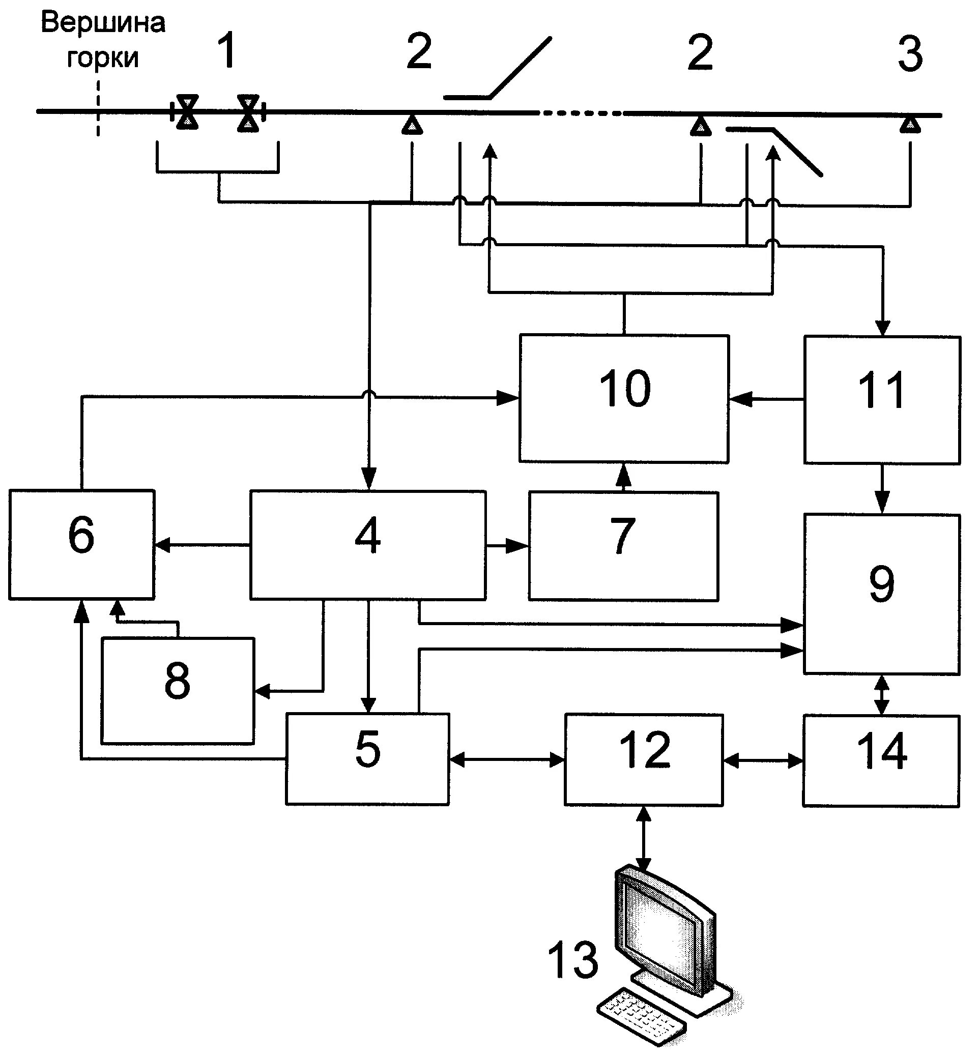
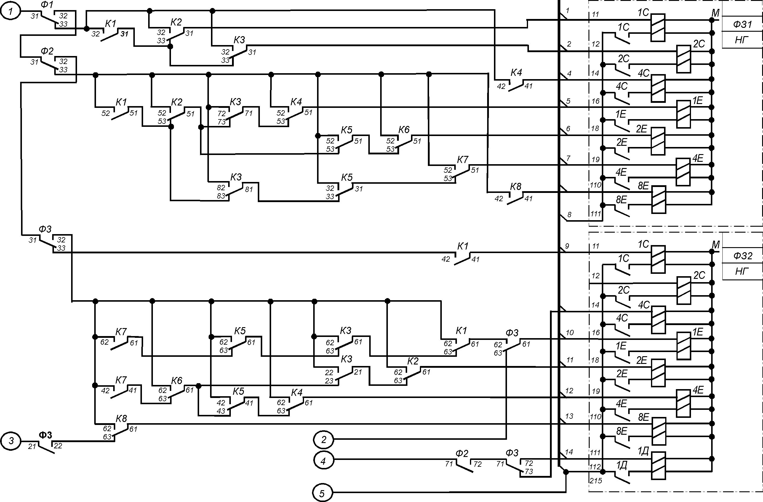
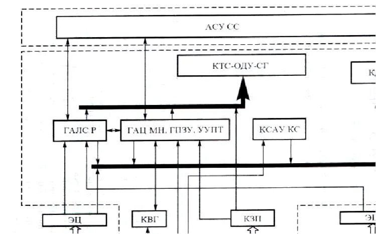
Гац сср