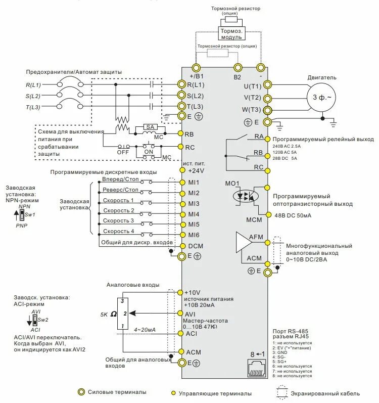
Функция частотного преобразователя