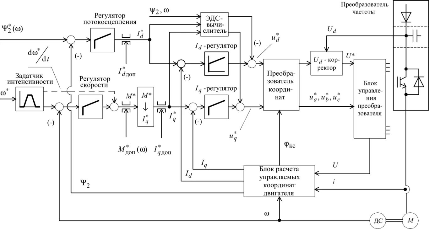
Функциональная схема преобразователя