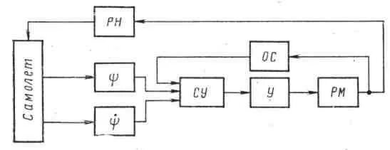
Функции автопилота