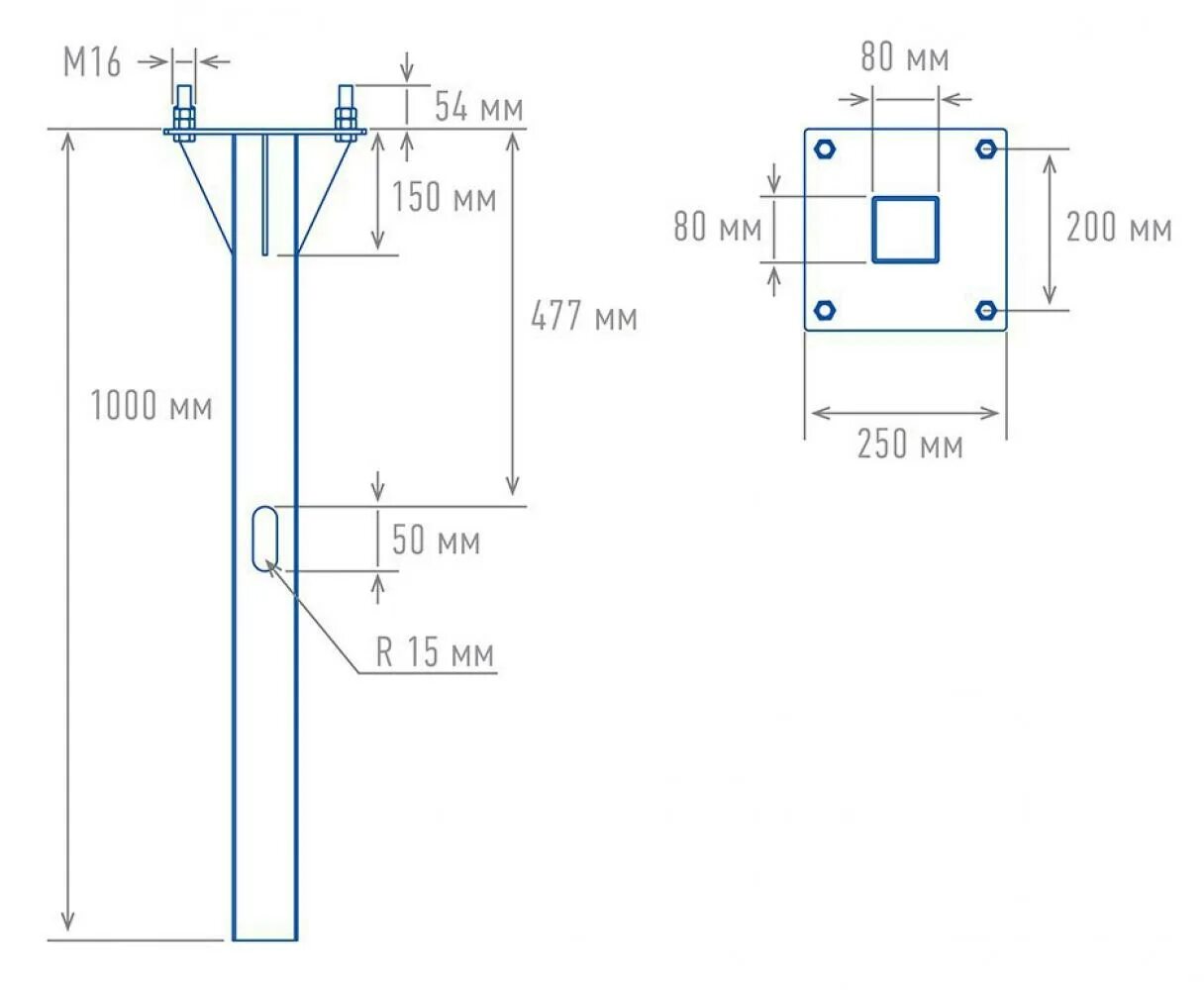
Фундамент здф