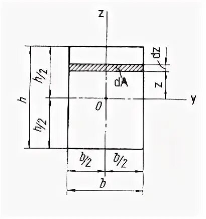
Формула центра тяжести прямоугольника