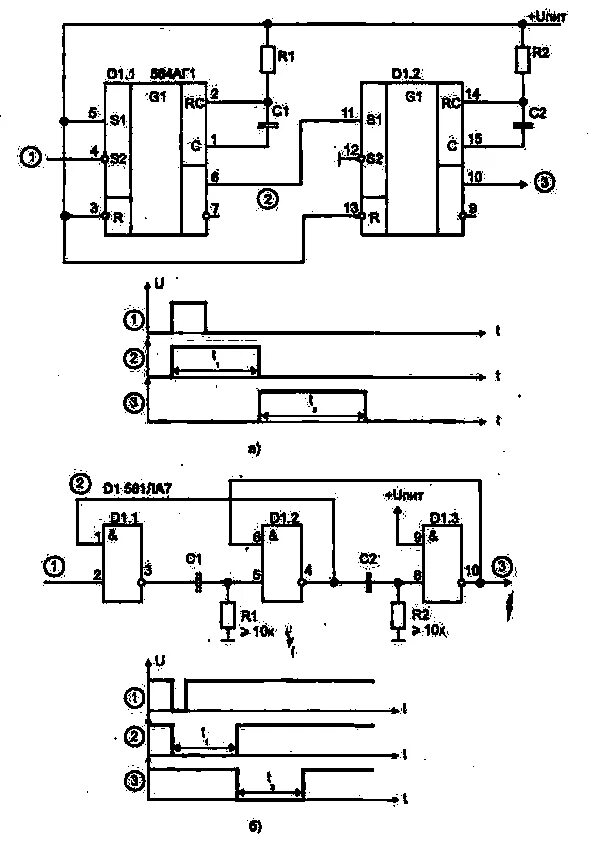
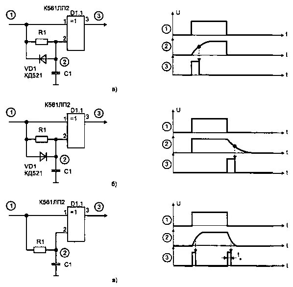
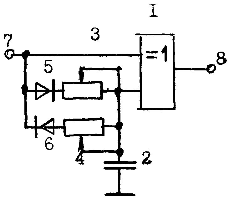
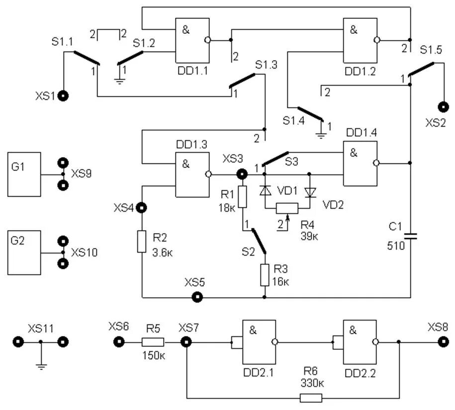
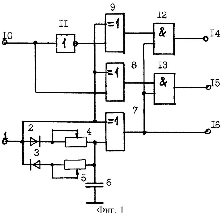
Формирователь импульсов