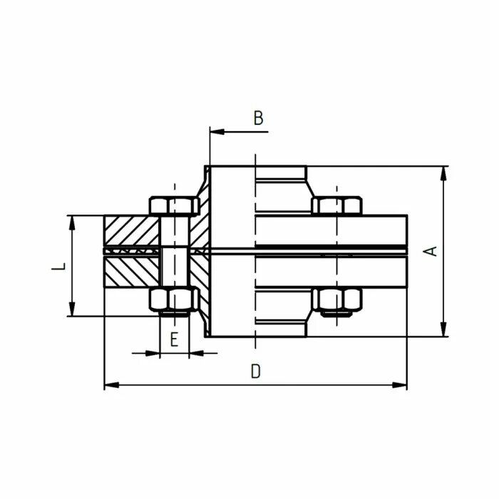
Фланцевое соединение нержавеющее