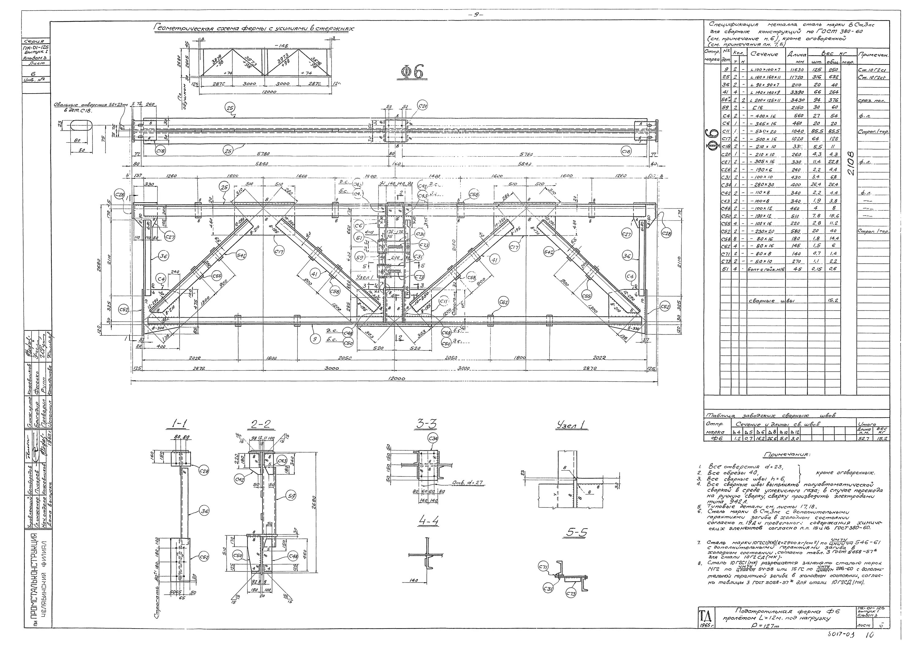
Ферм08 03 573 04