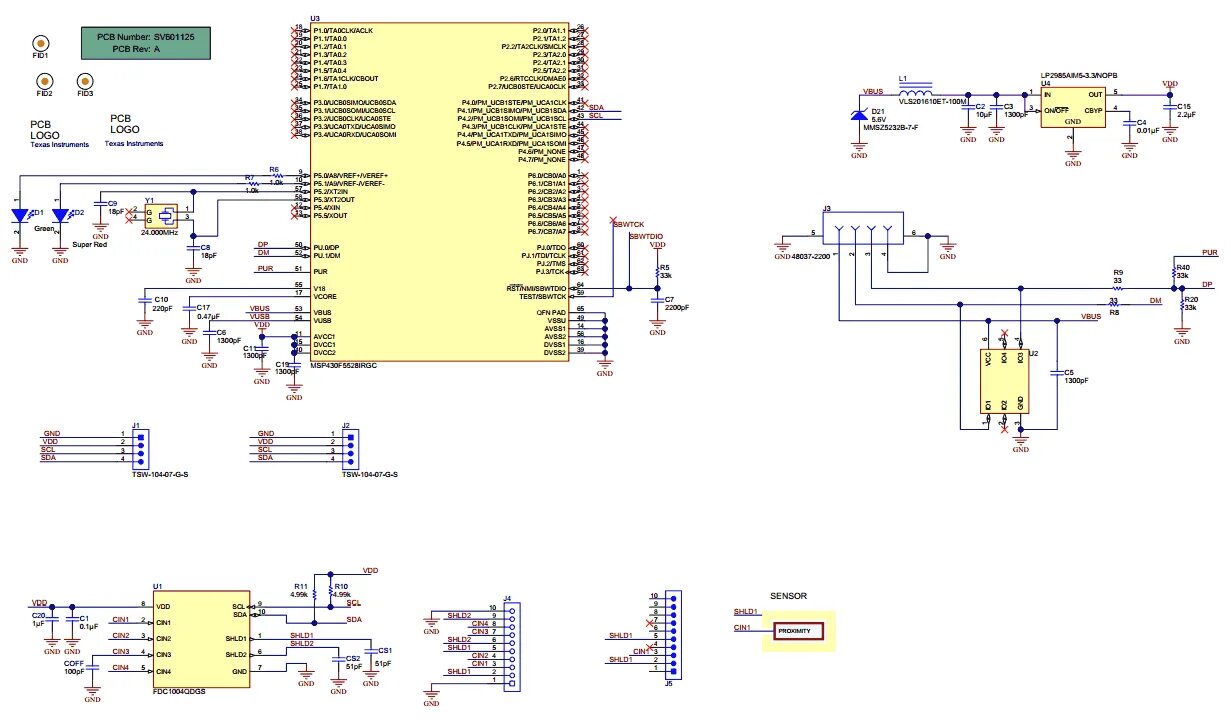
Fdc 2s 2