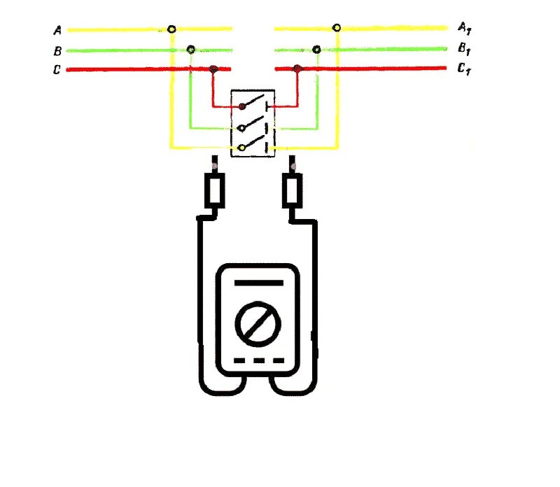
Фазировка мультиметром