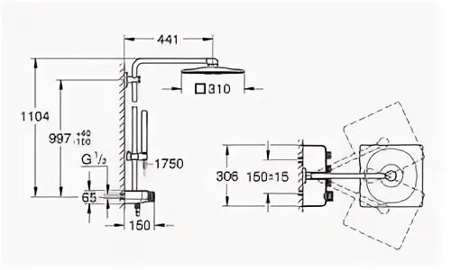
Euphoria smartcontrol 310