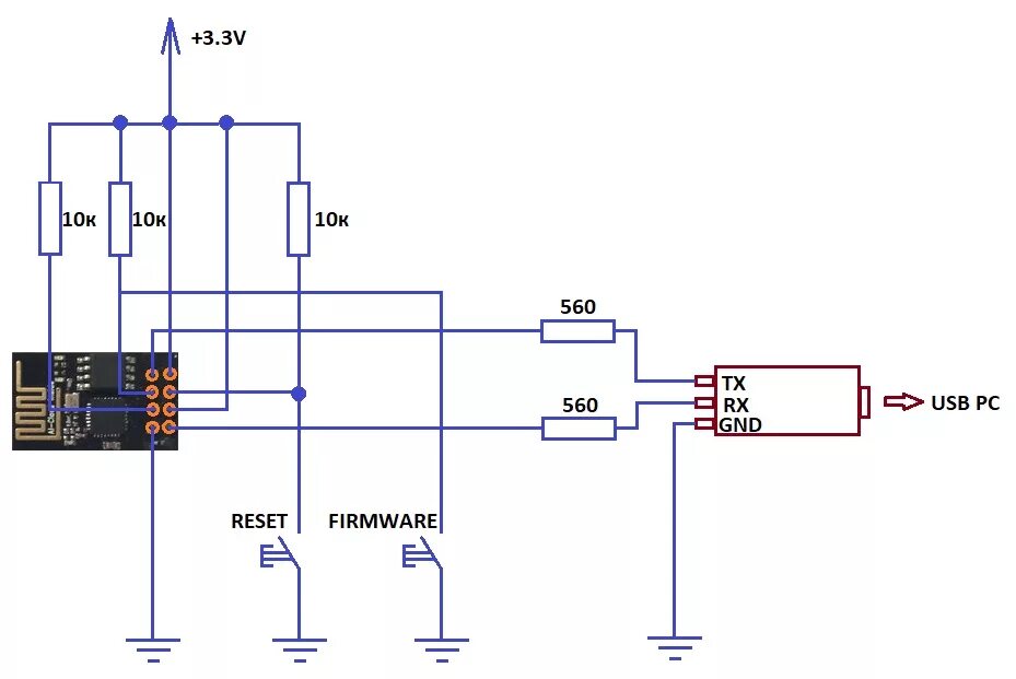
Esp 01 программирование