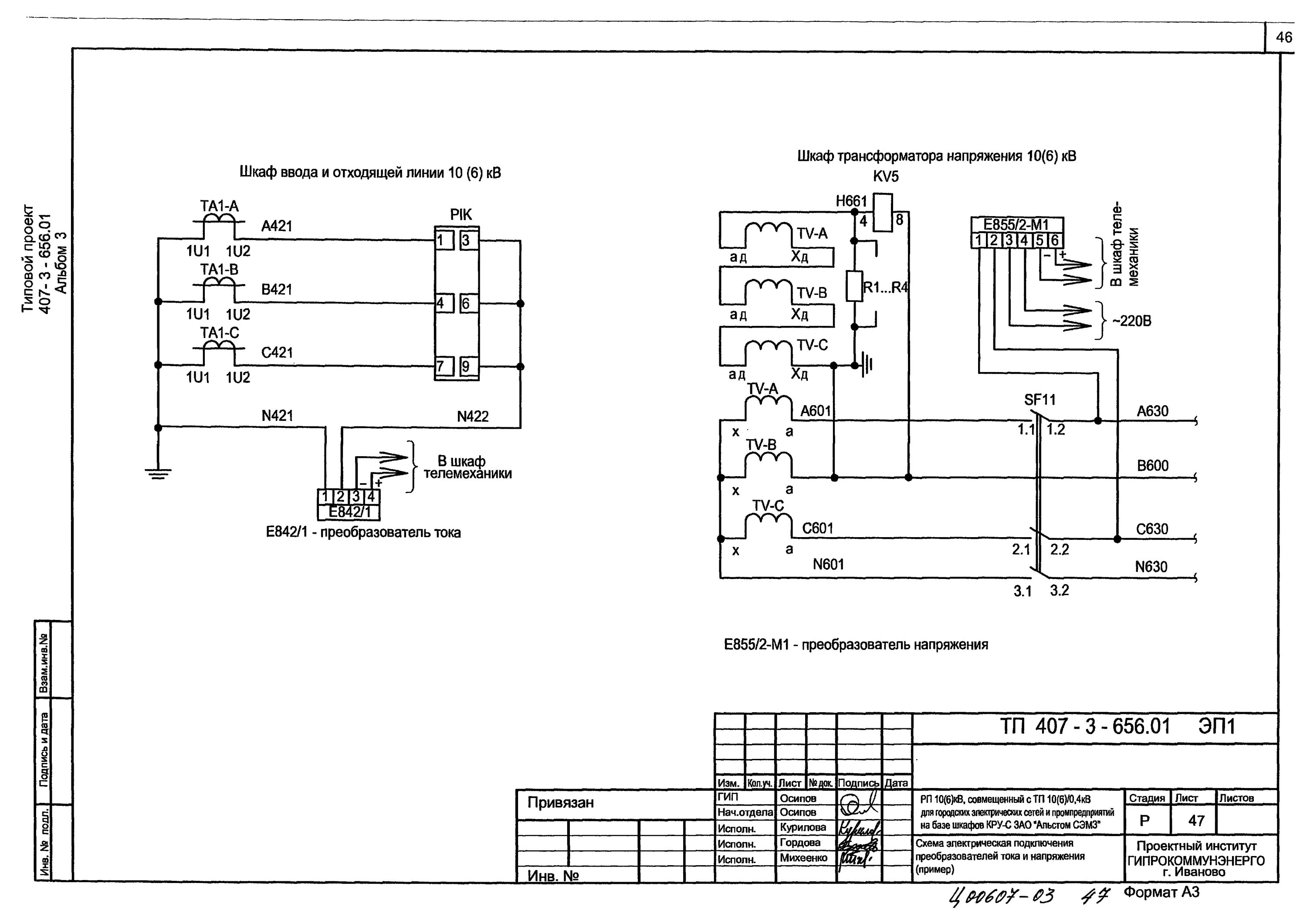
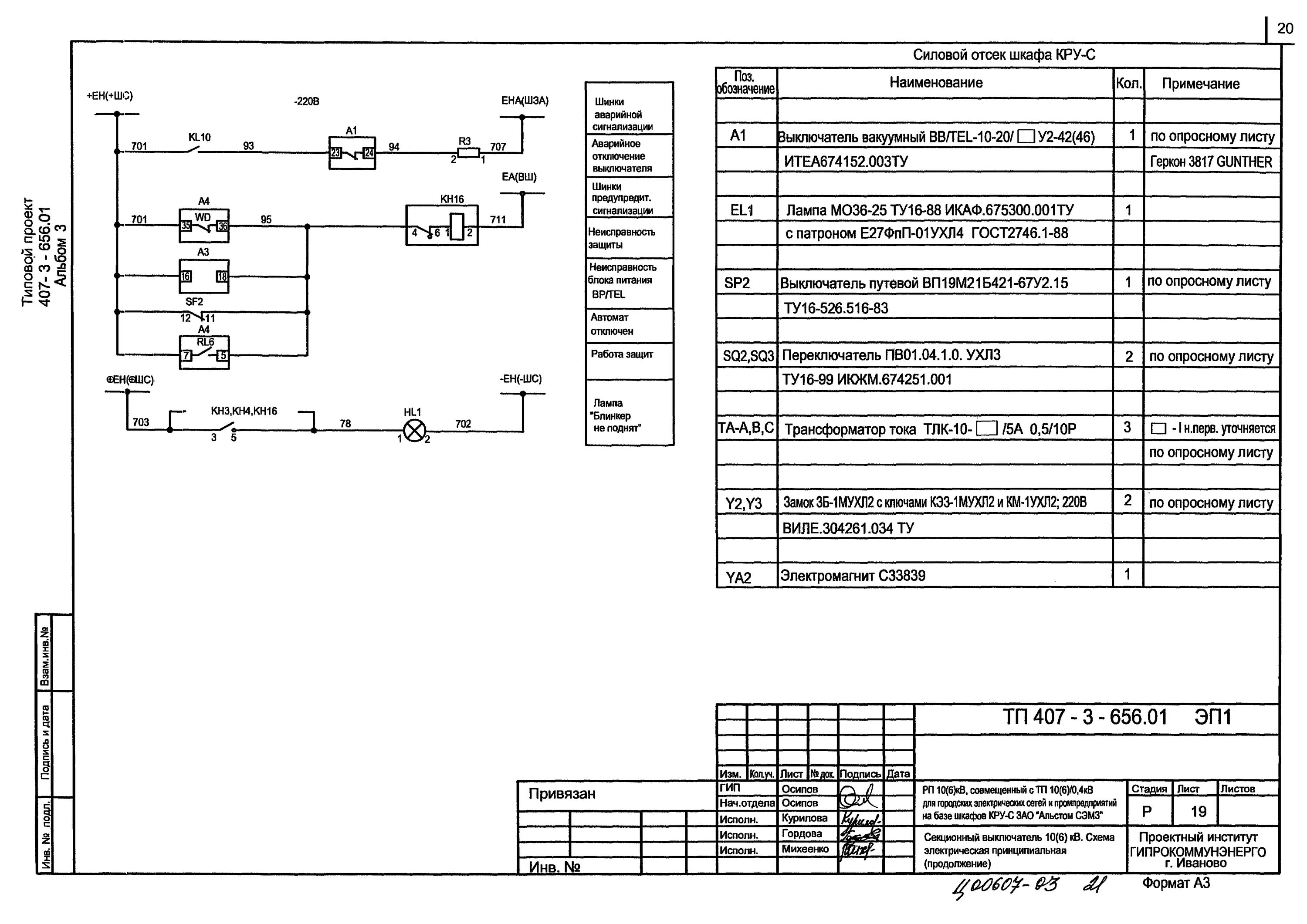
Эп тп