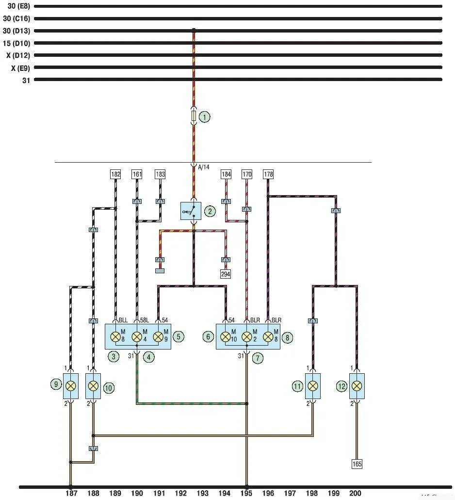
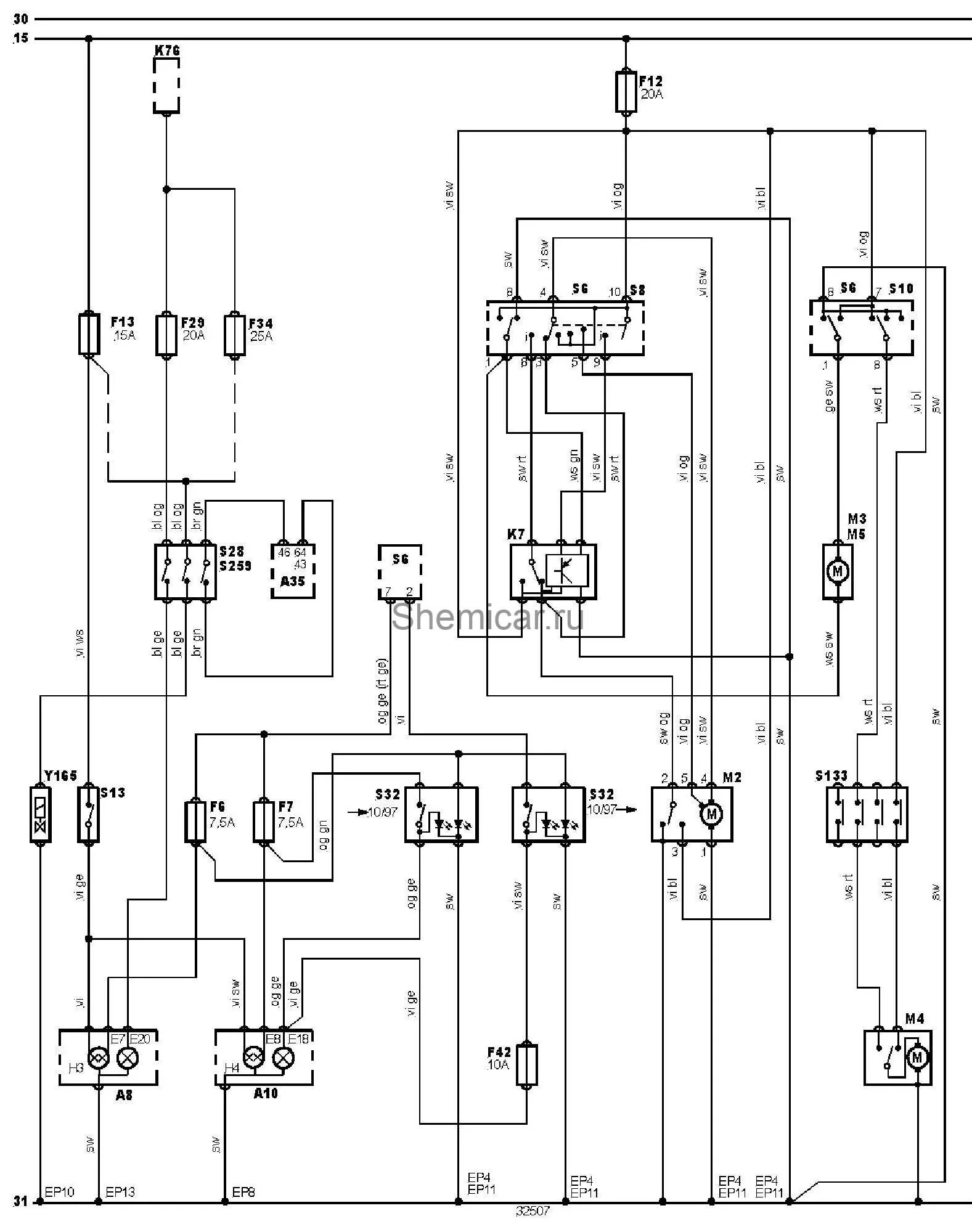
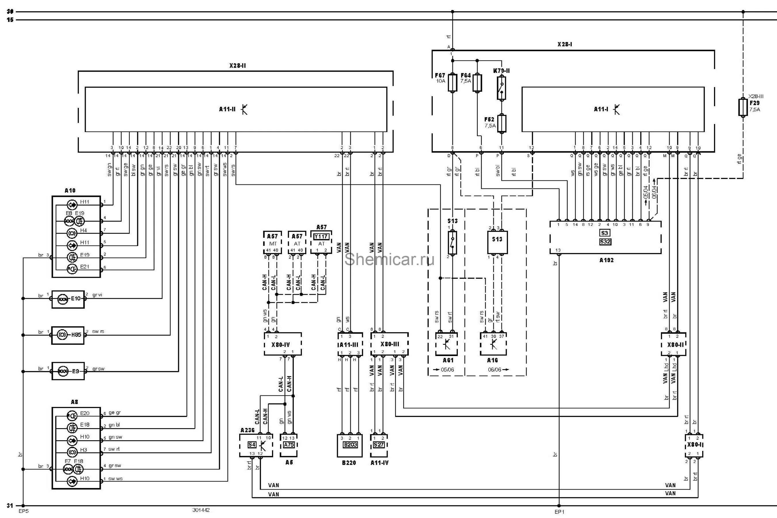
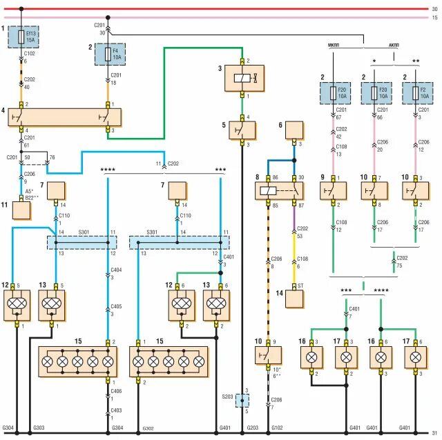
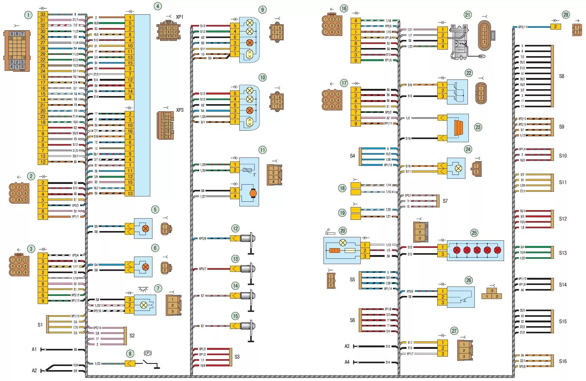
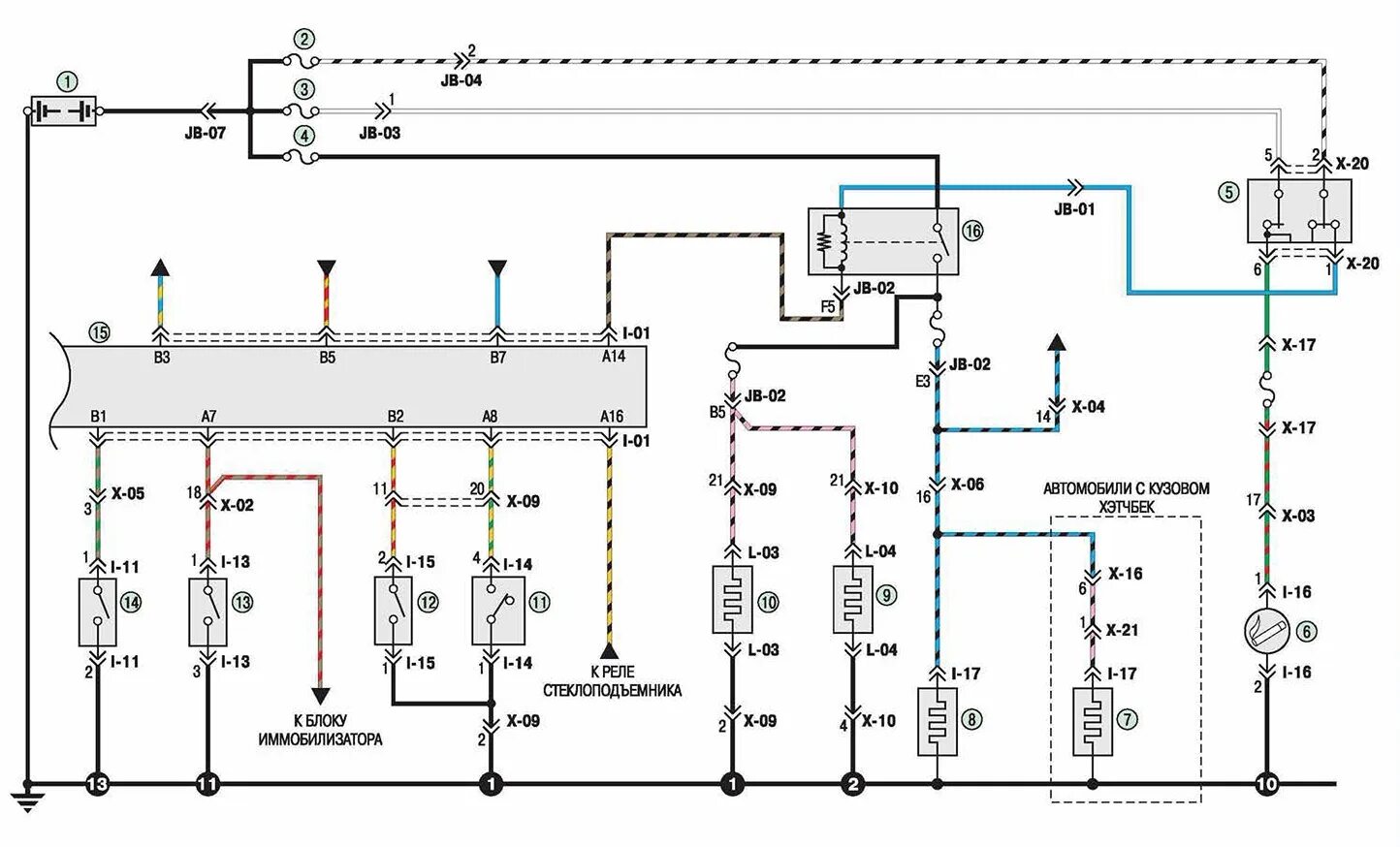
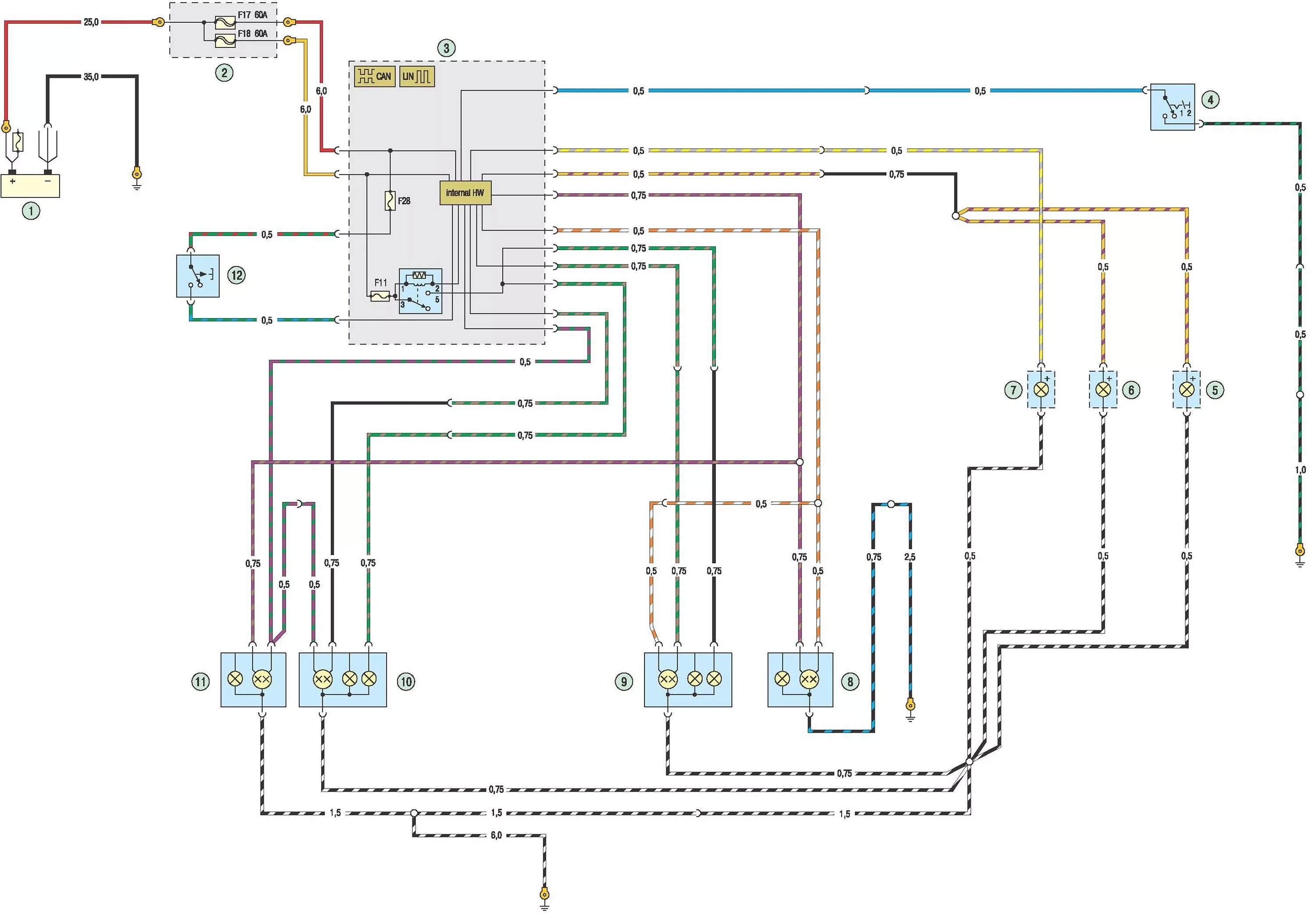
Электросхема заднего