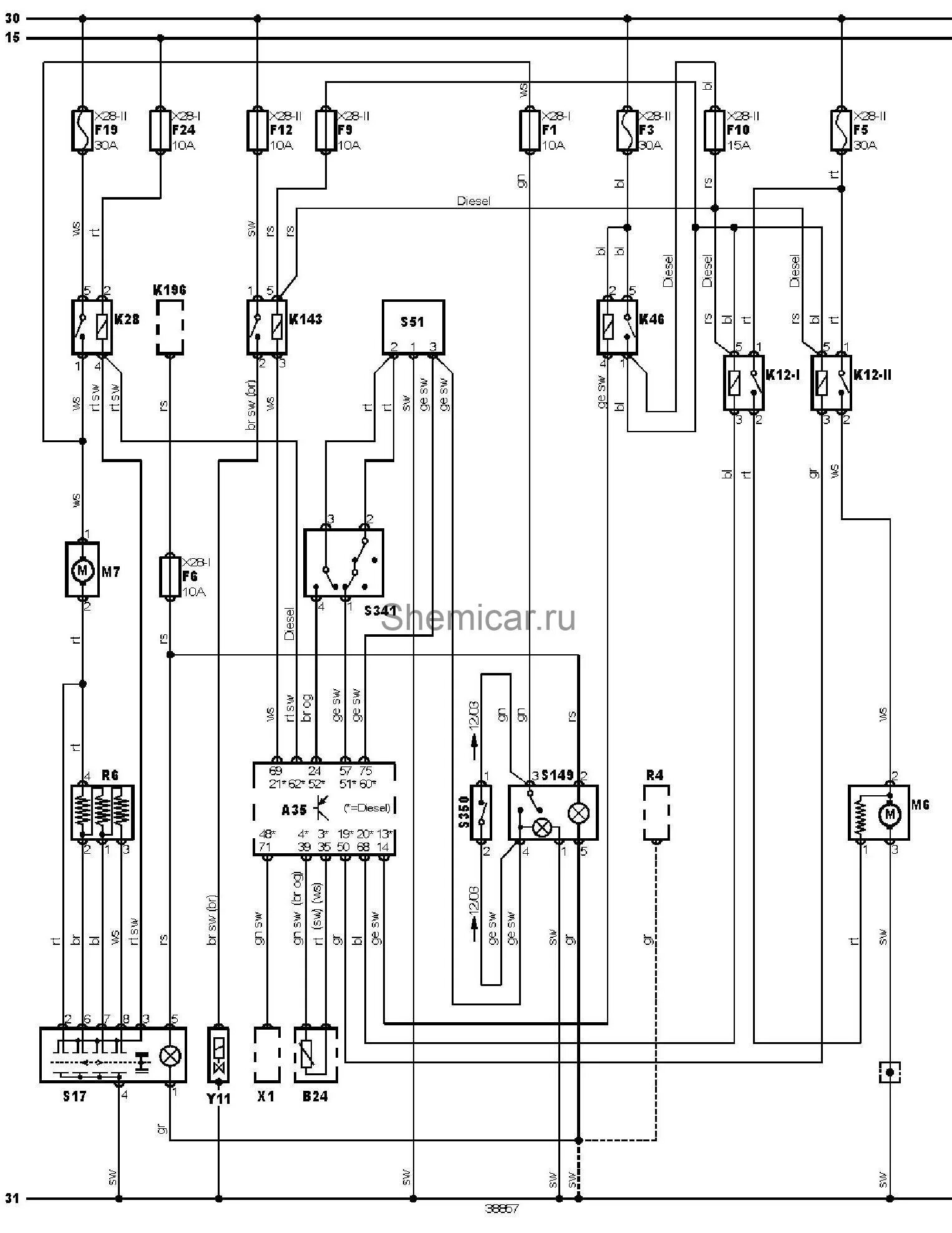
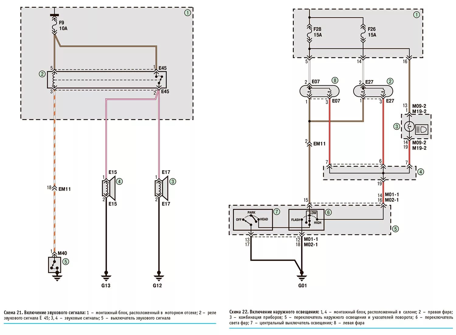
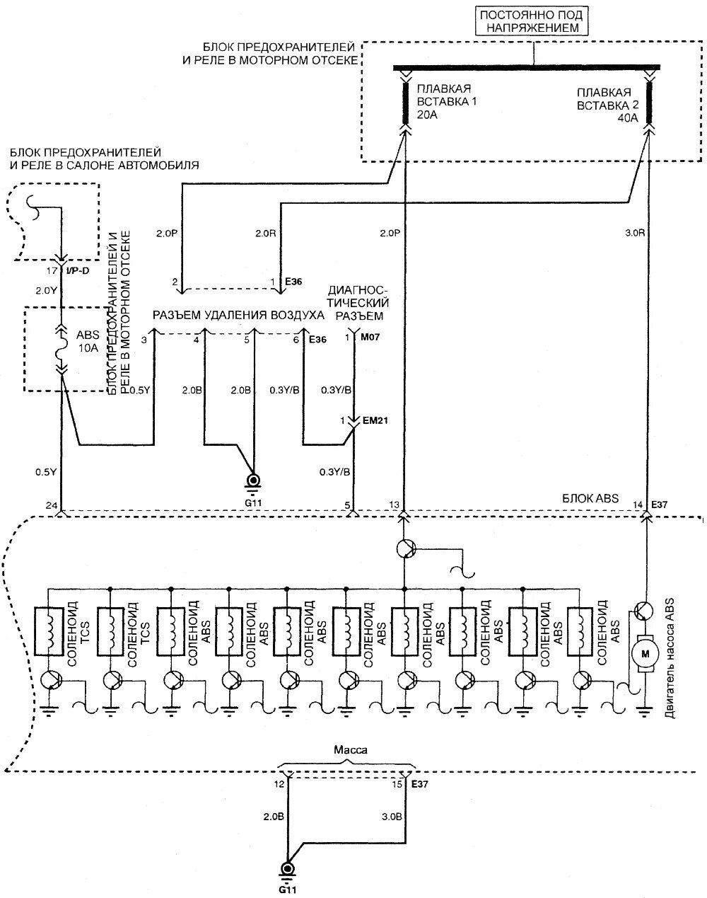
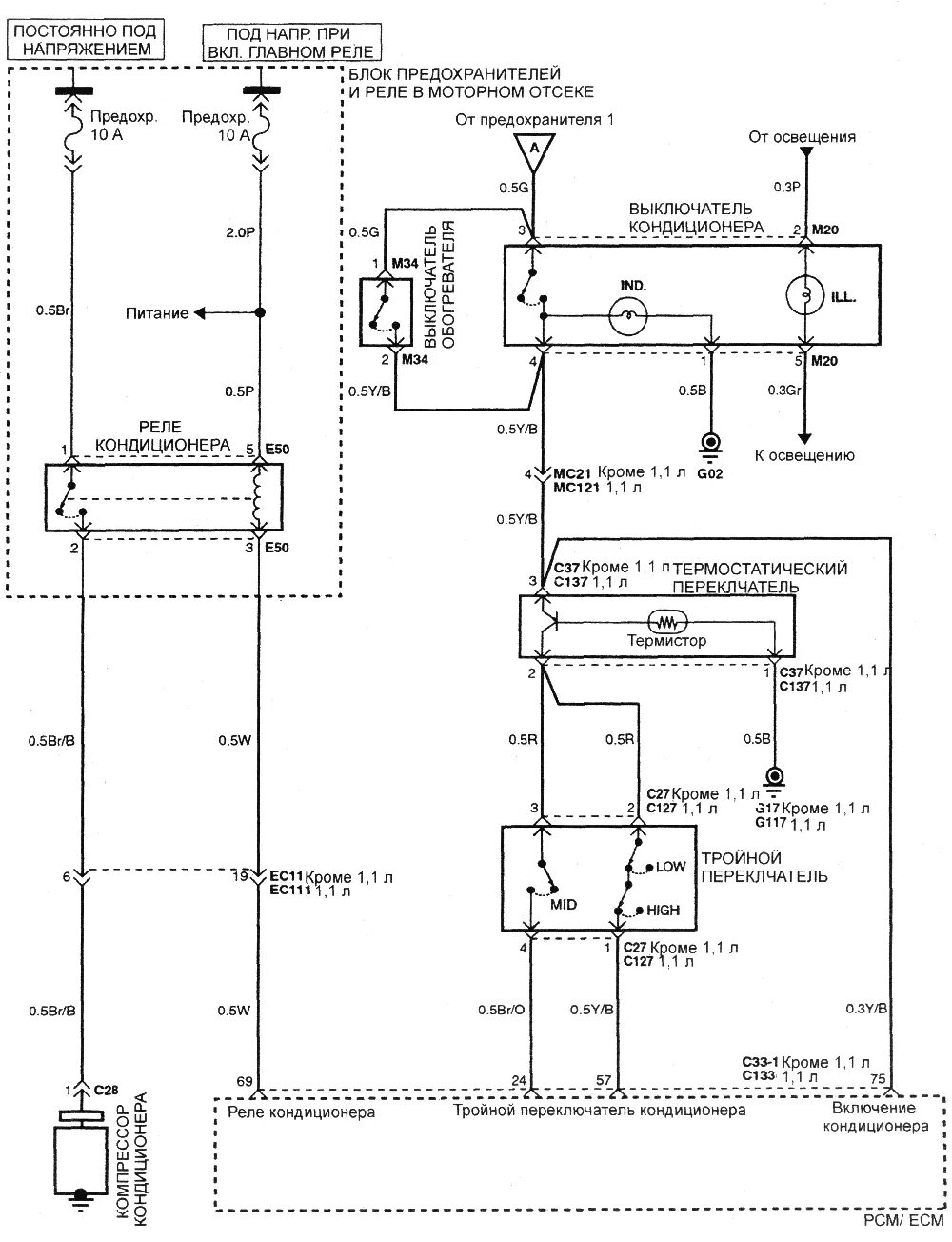
Электросхема гетц