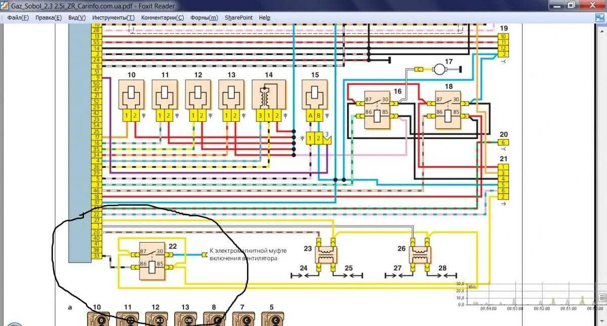
Электросхема 406 двигателя инжектор