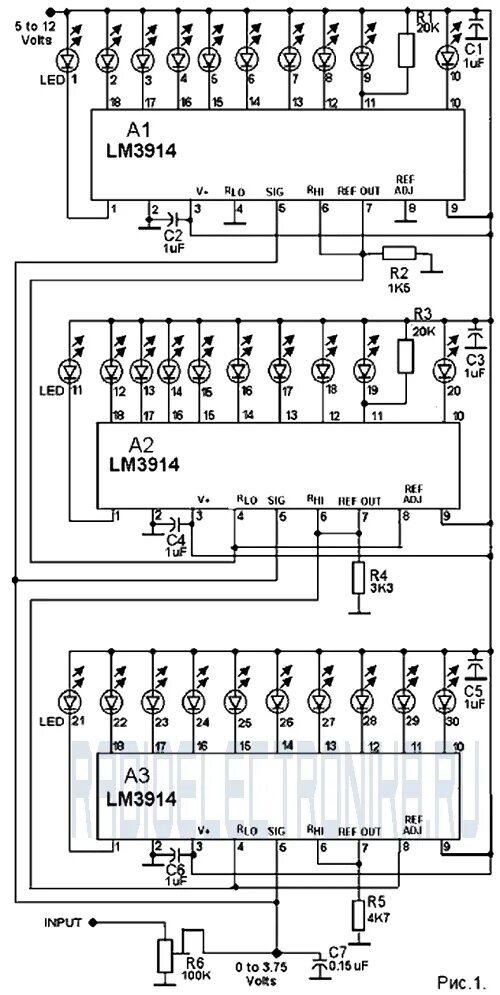
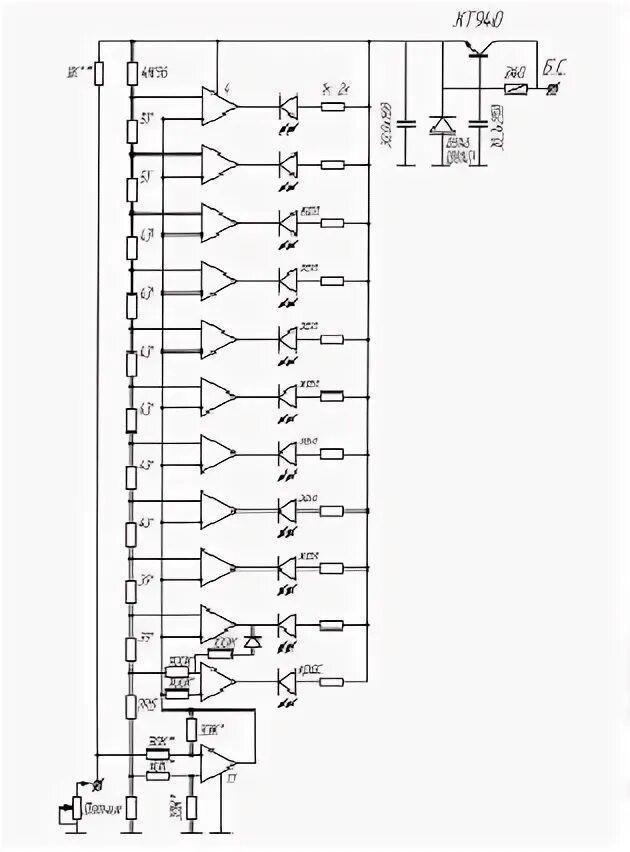
Электронные индикаторы уровня