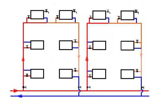
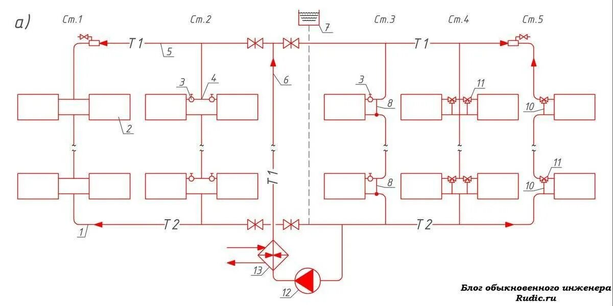
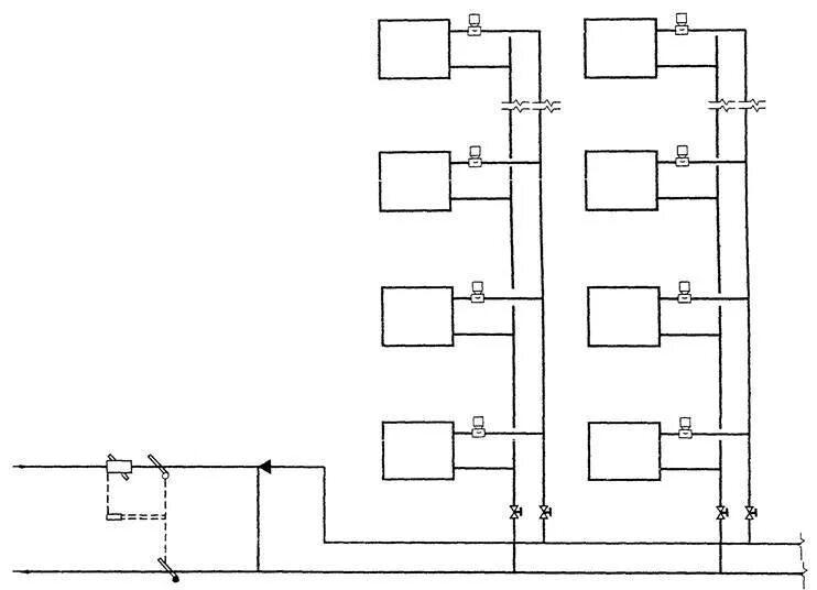
Двухтрубная система отопления мкд