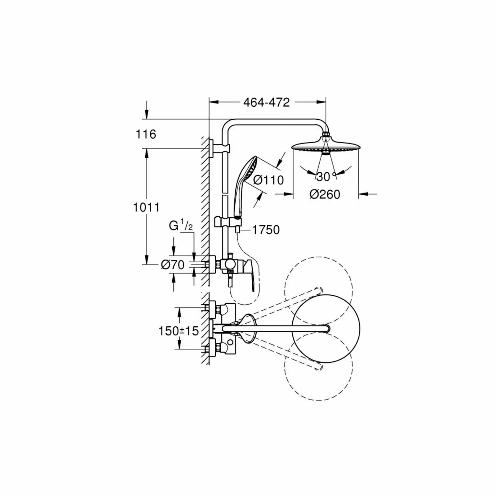
Душевая система euphoria 260