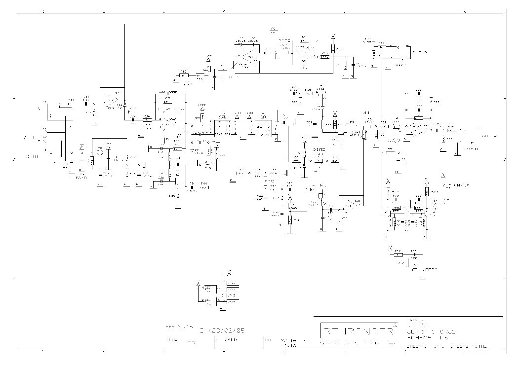
Драйвера на звуковую карту behringer um2