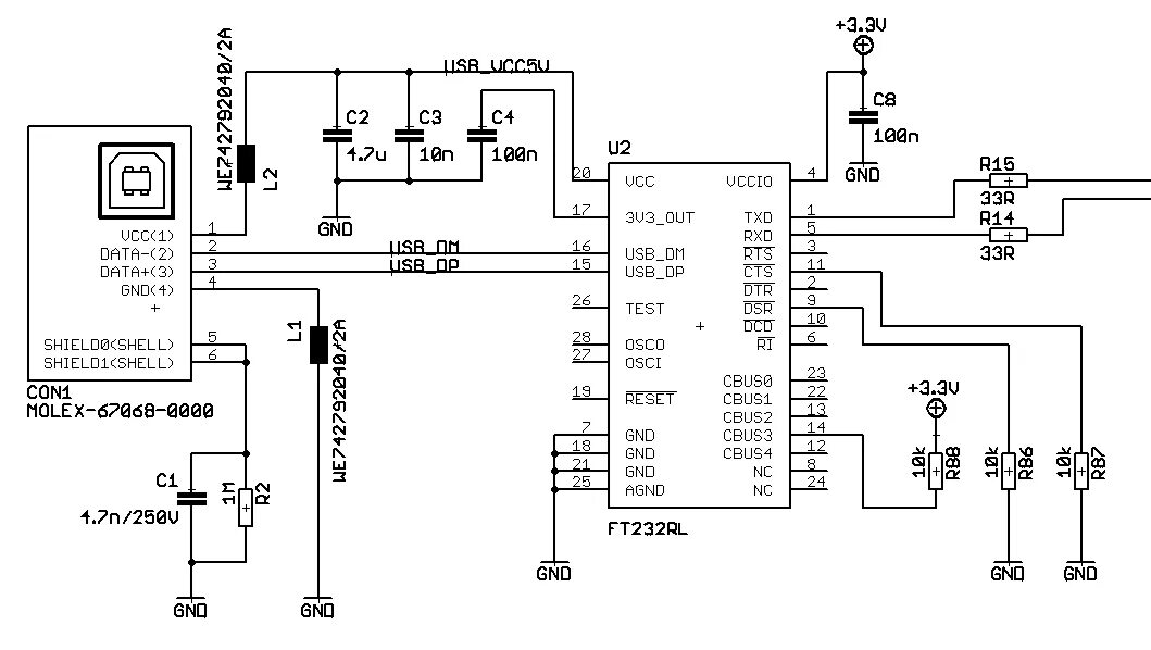
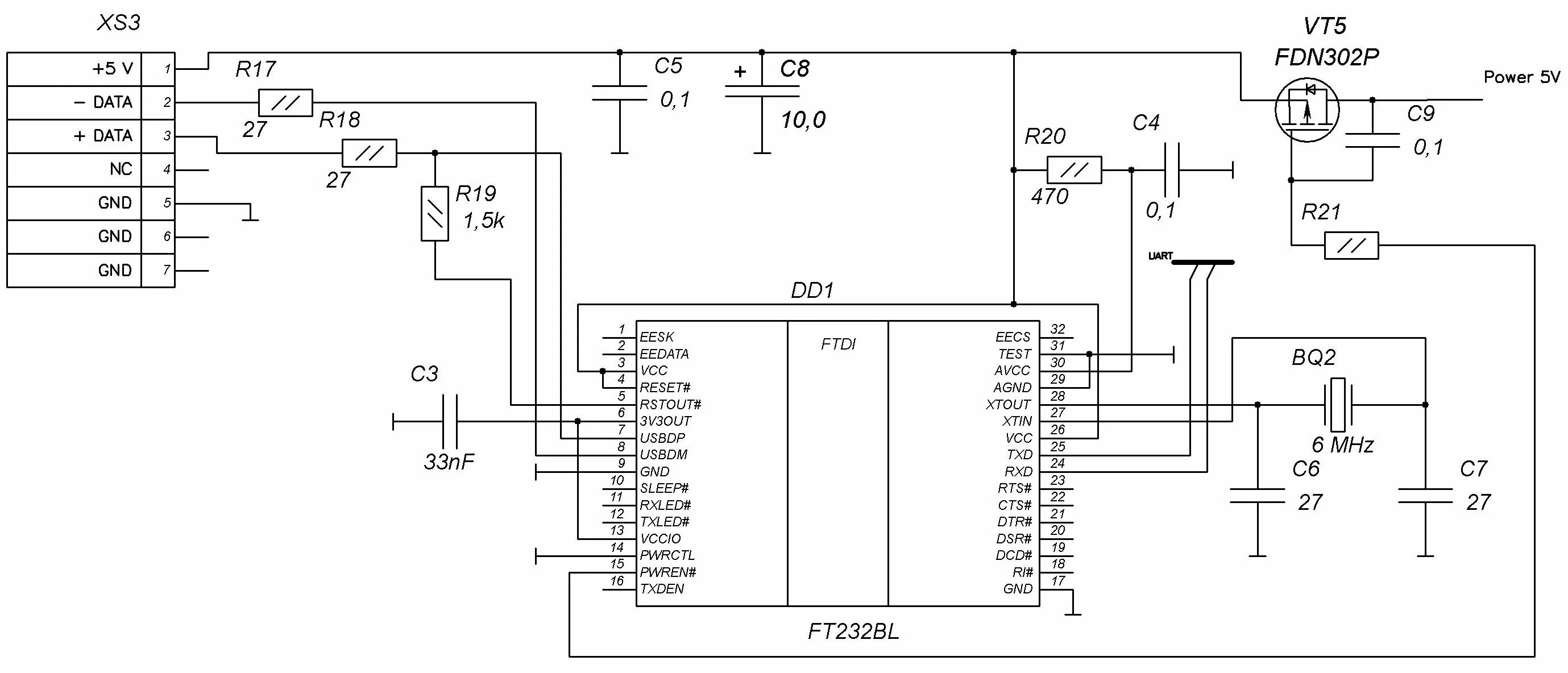
Драйвер ft232r usb uart