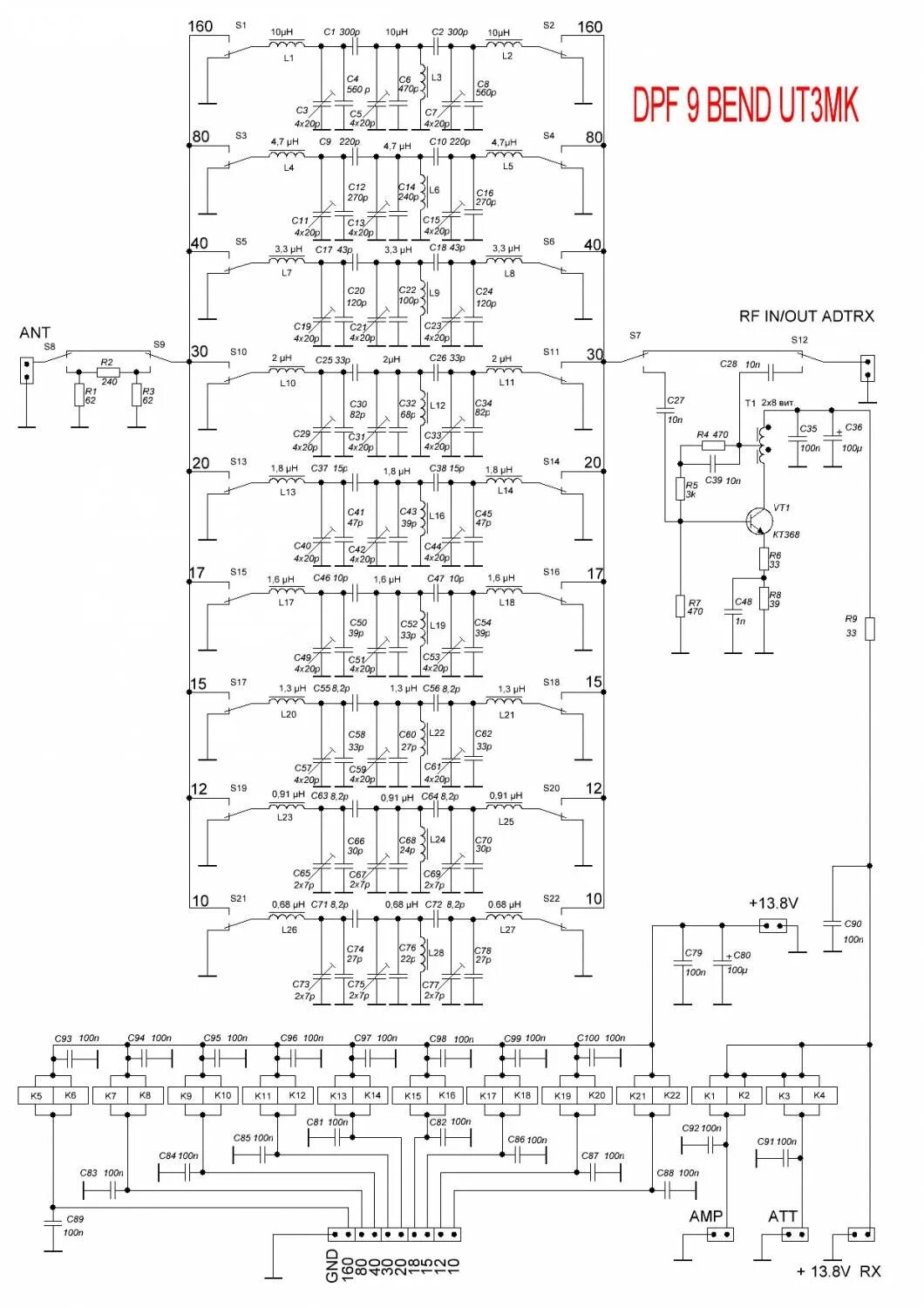
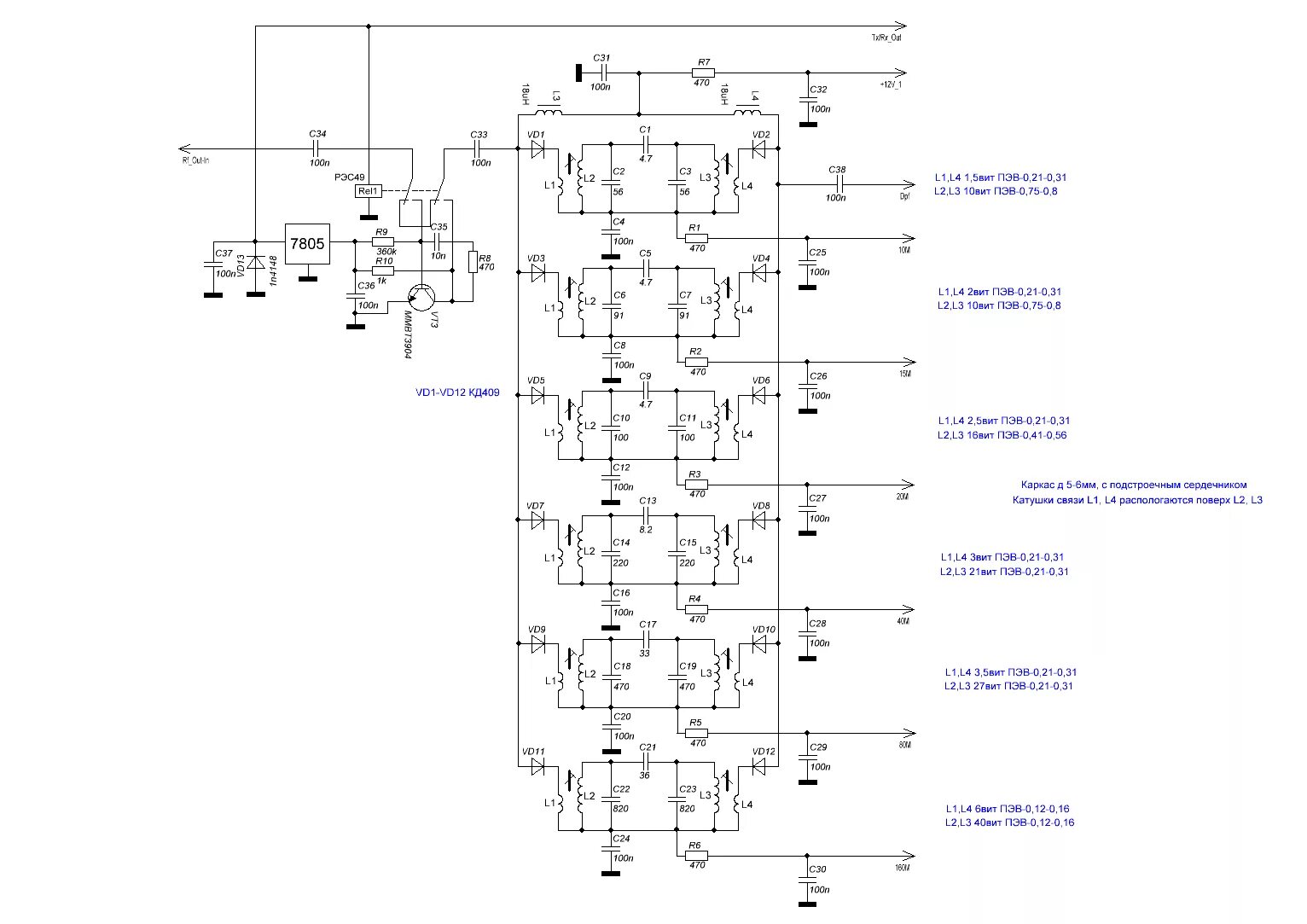
Дпф комплексные числа