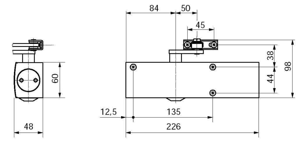
Доводчик geze en2 4