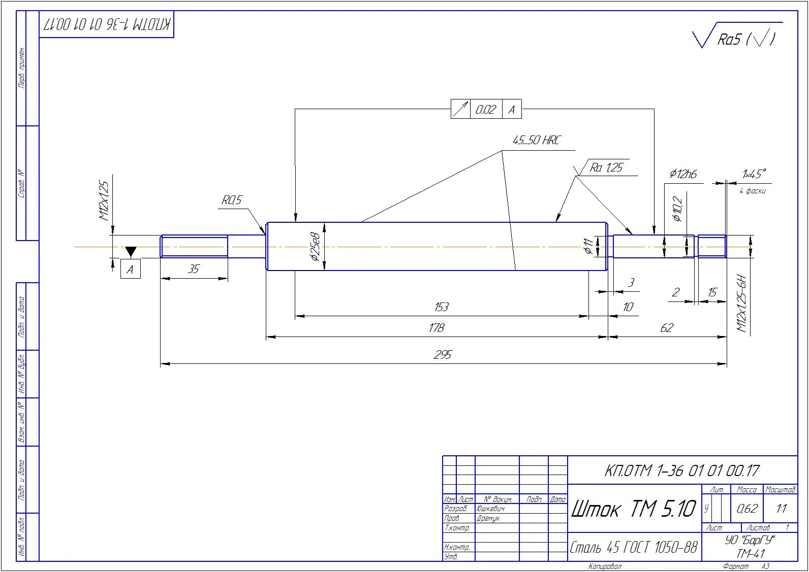
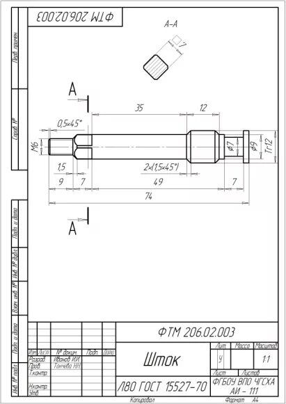
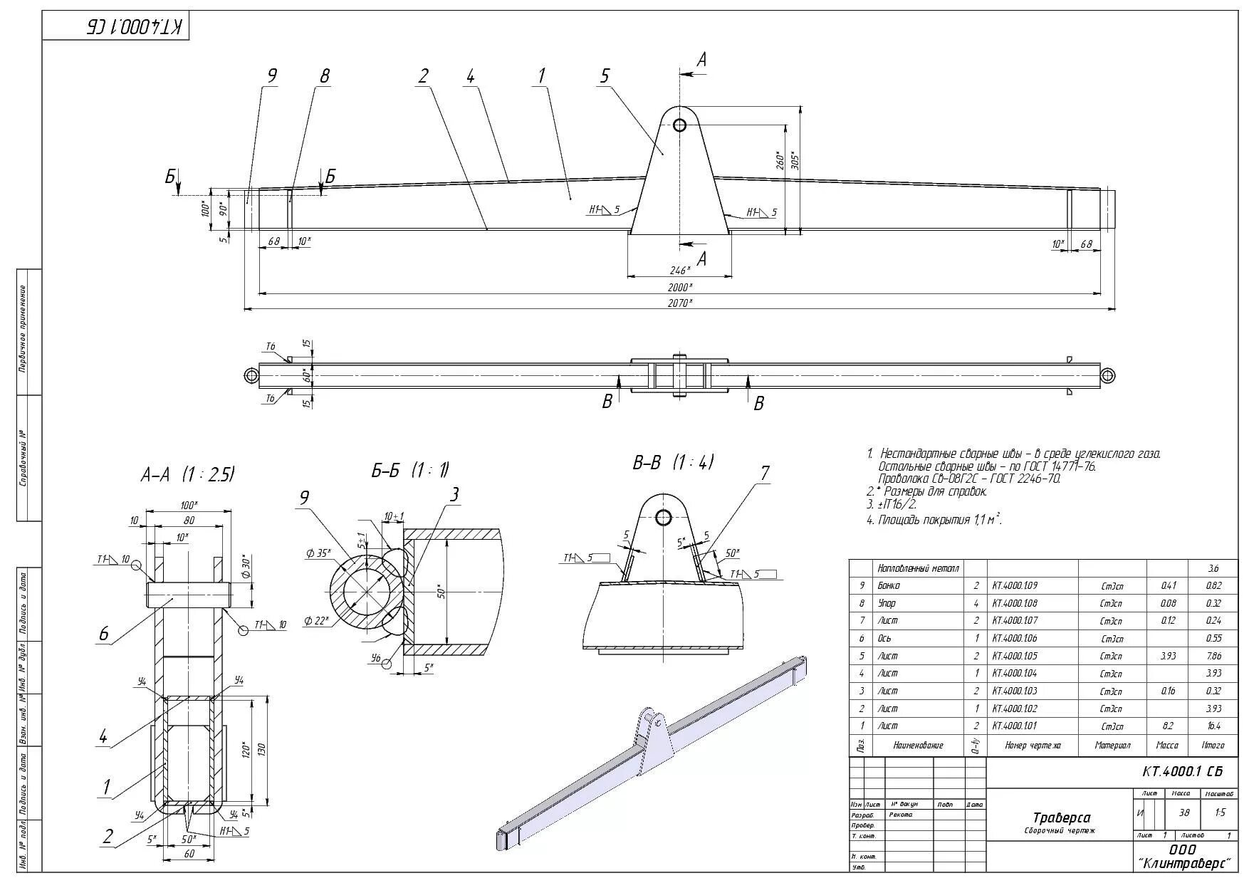
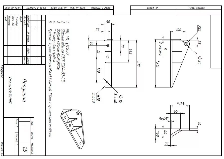
Дошипун своими руками чертежи и размеры