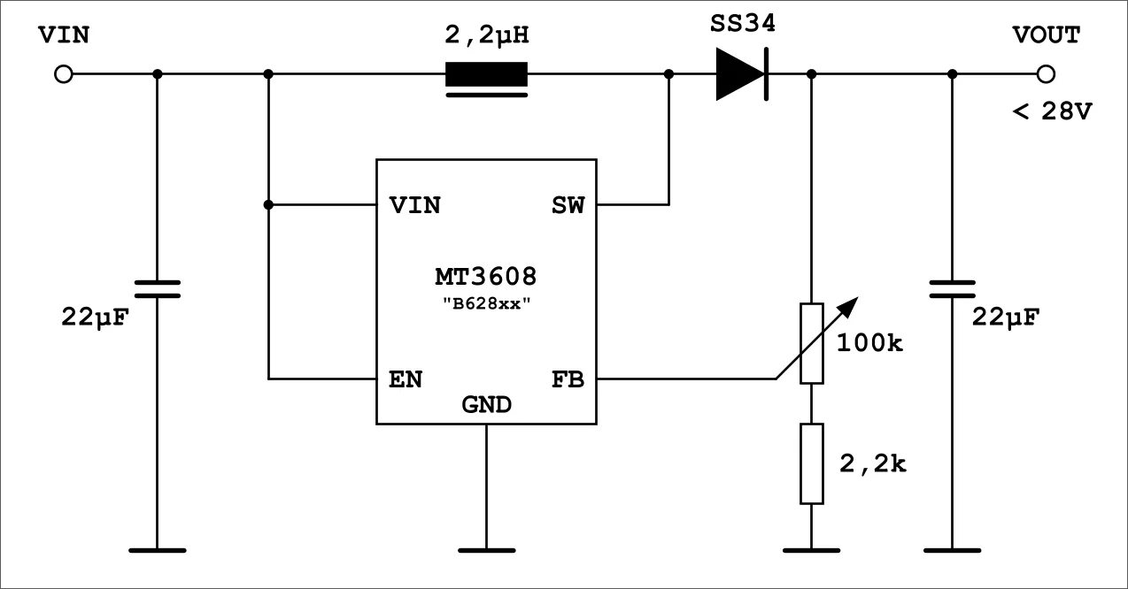
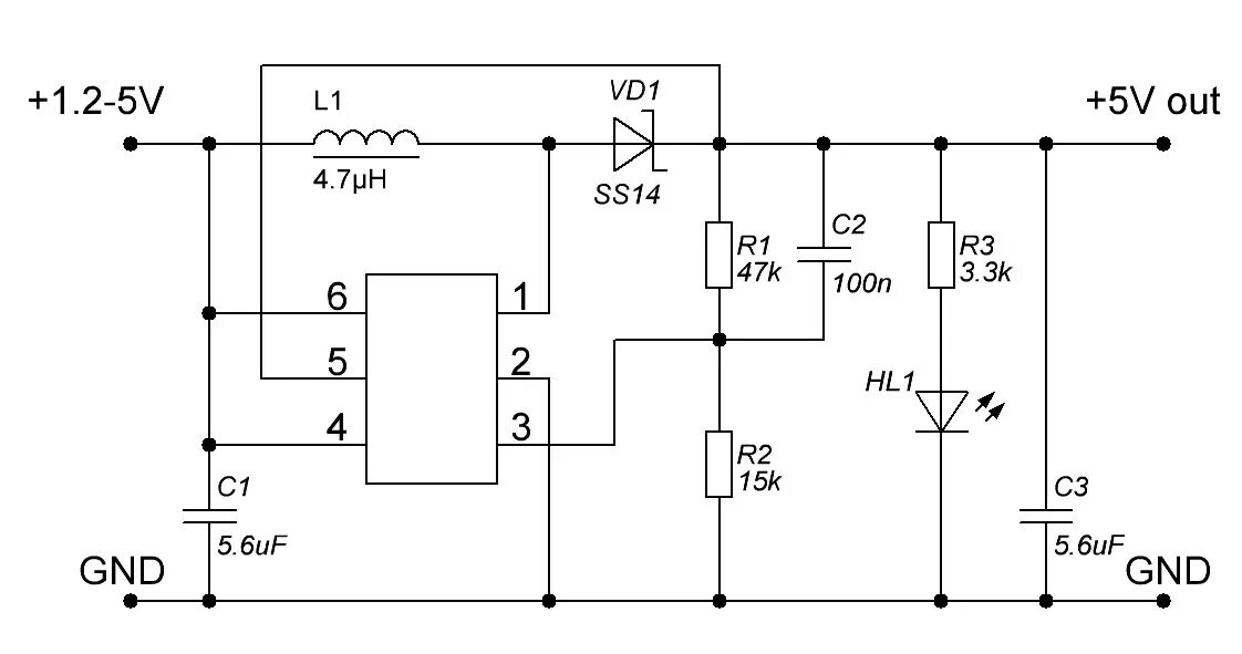
Доработка преобразователя повышающего