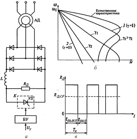
Добавочное сопротивление в ротор