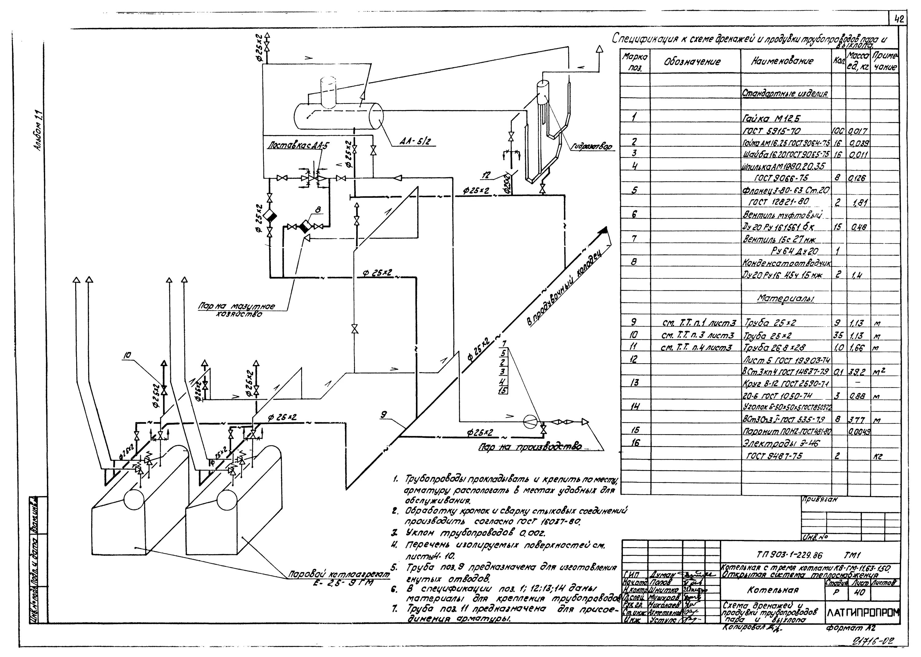
Для каких котлов продувочные и дренажные