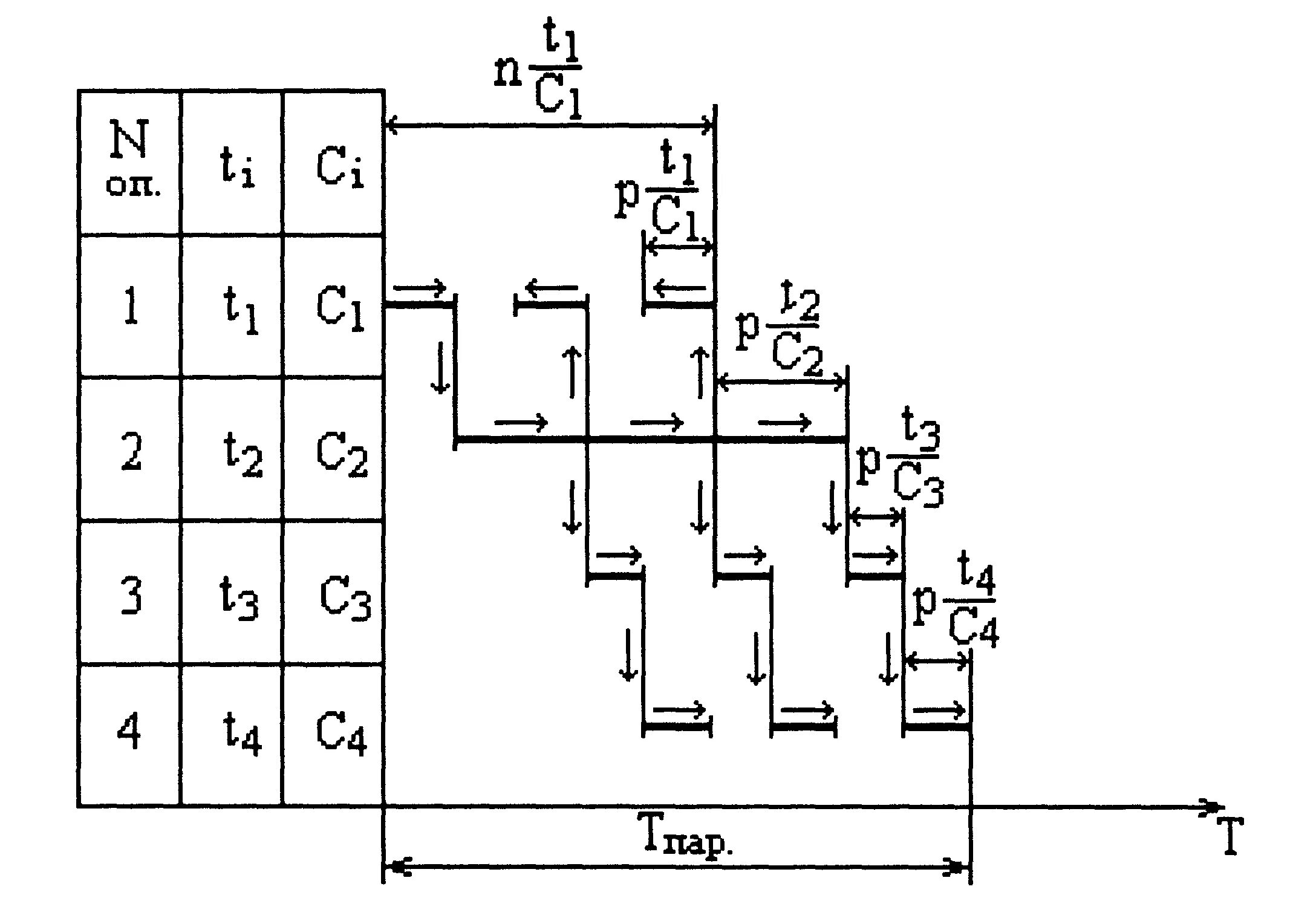
Длительность технологического цикла при параллельном виде движения