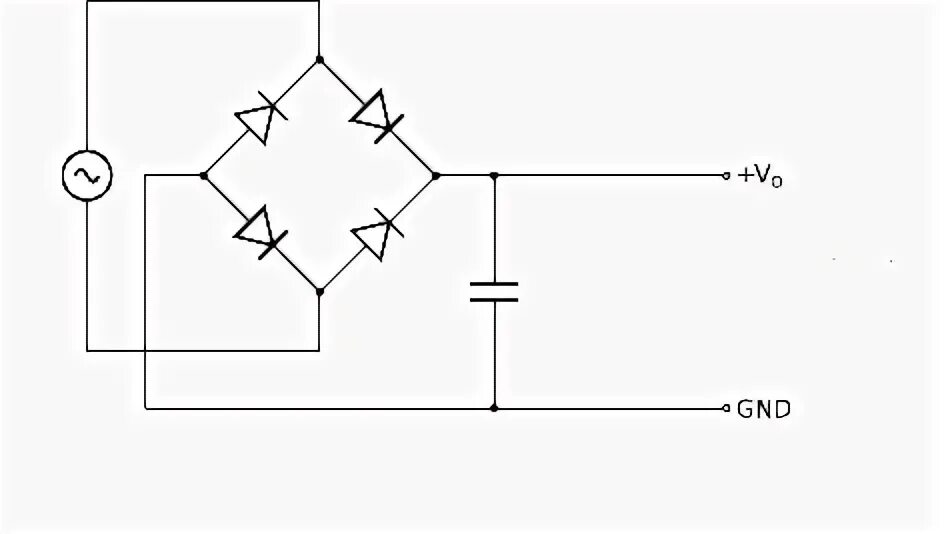
Диодный мост для зарядного устройства своими руками