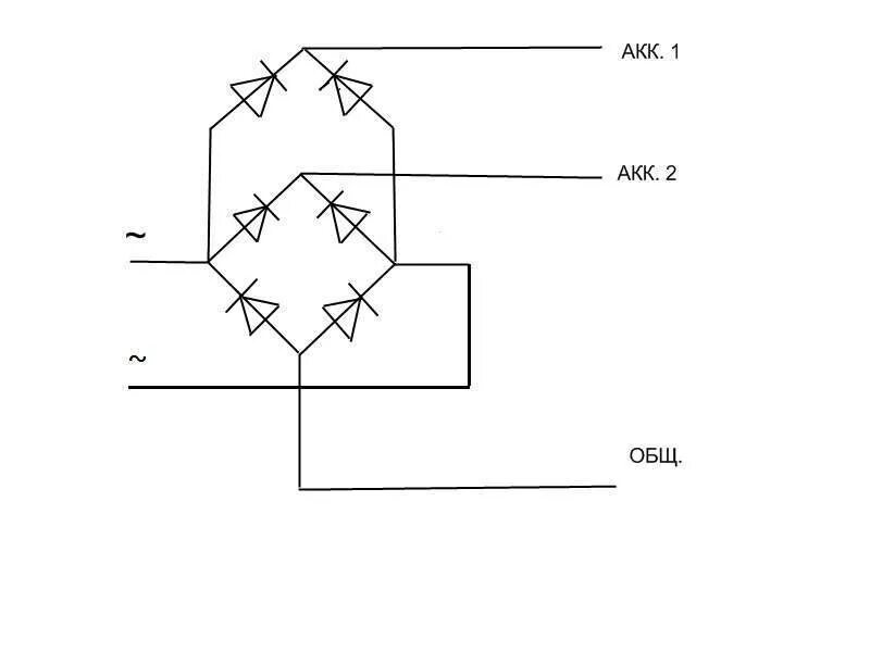
Диод мост схема