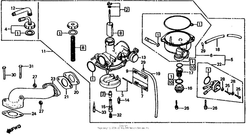
Динго регулировка карбюратора