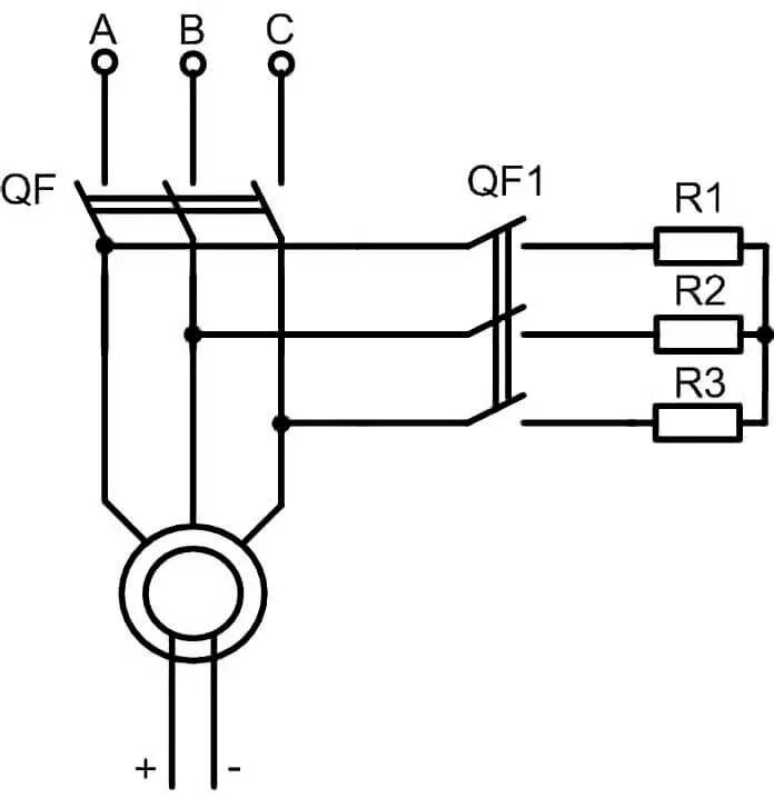
Динамическое торможение асинхронного двигателя