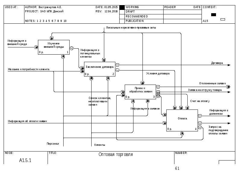
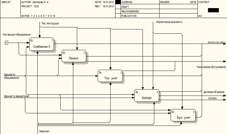
Диаграммы функциональной декомпозиции