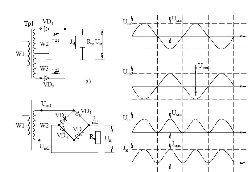
Диаграмма мостового выпрямителя