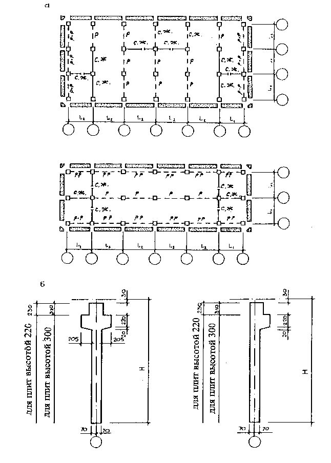
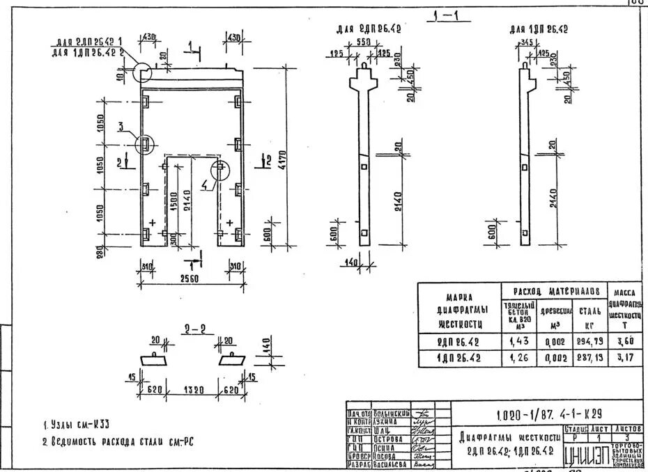
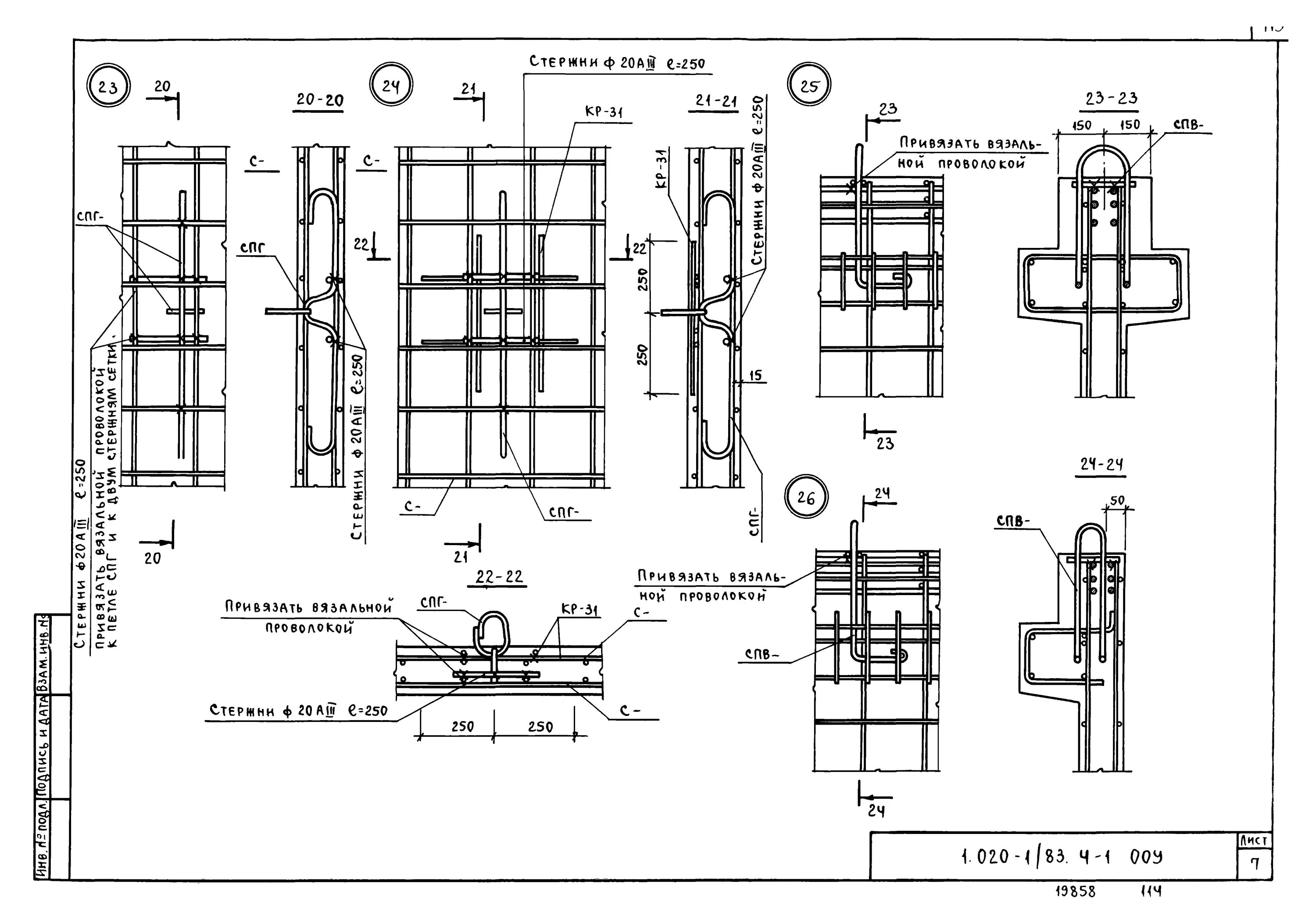
Диафрагмы в каркасных зданиях