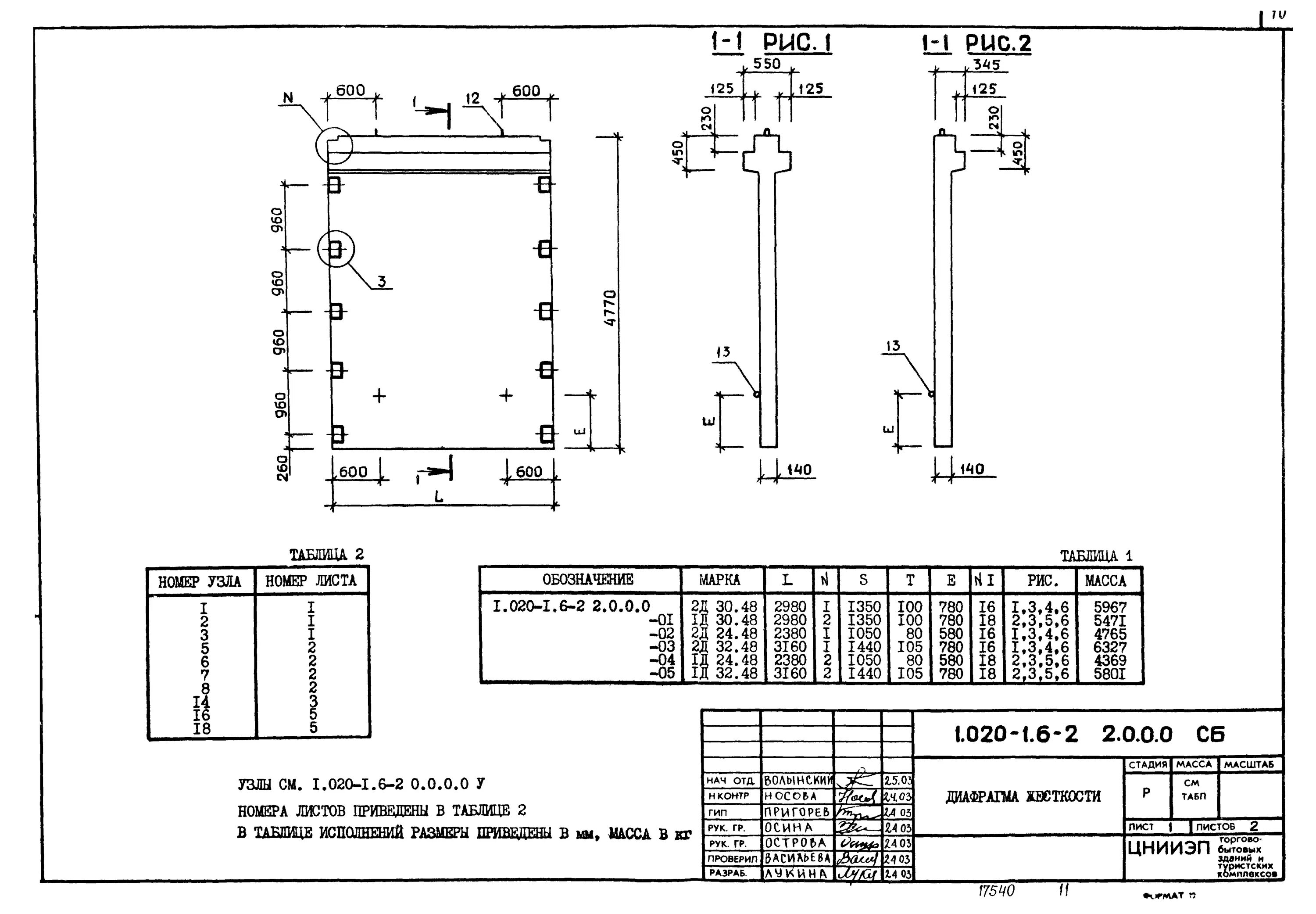
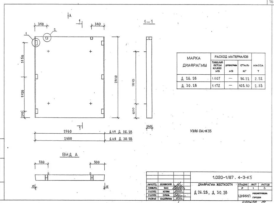
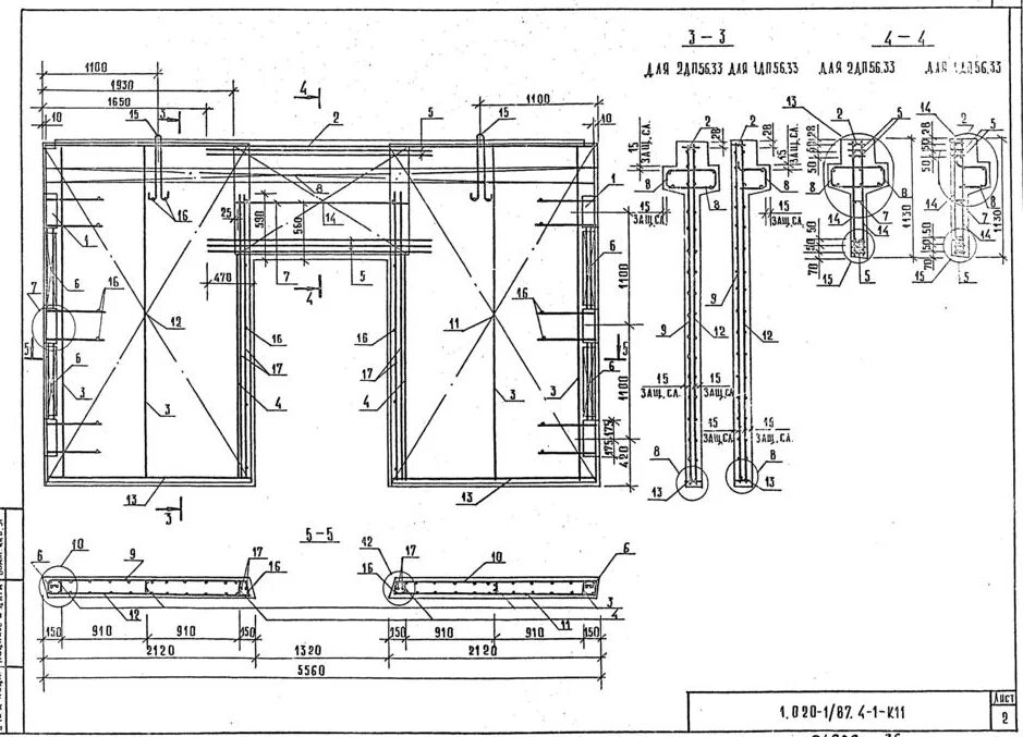
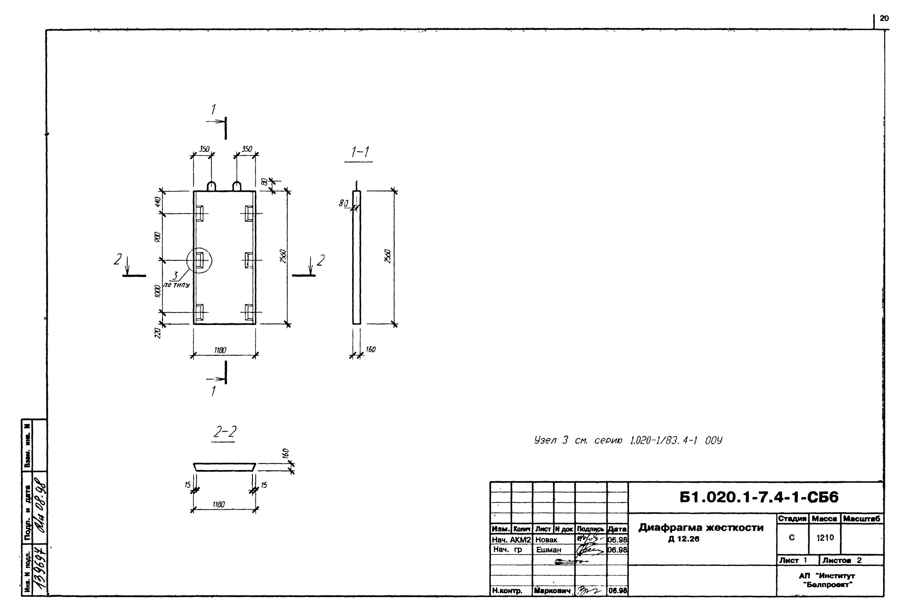
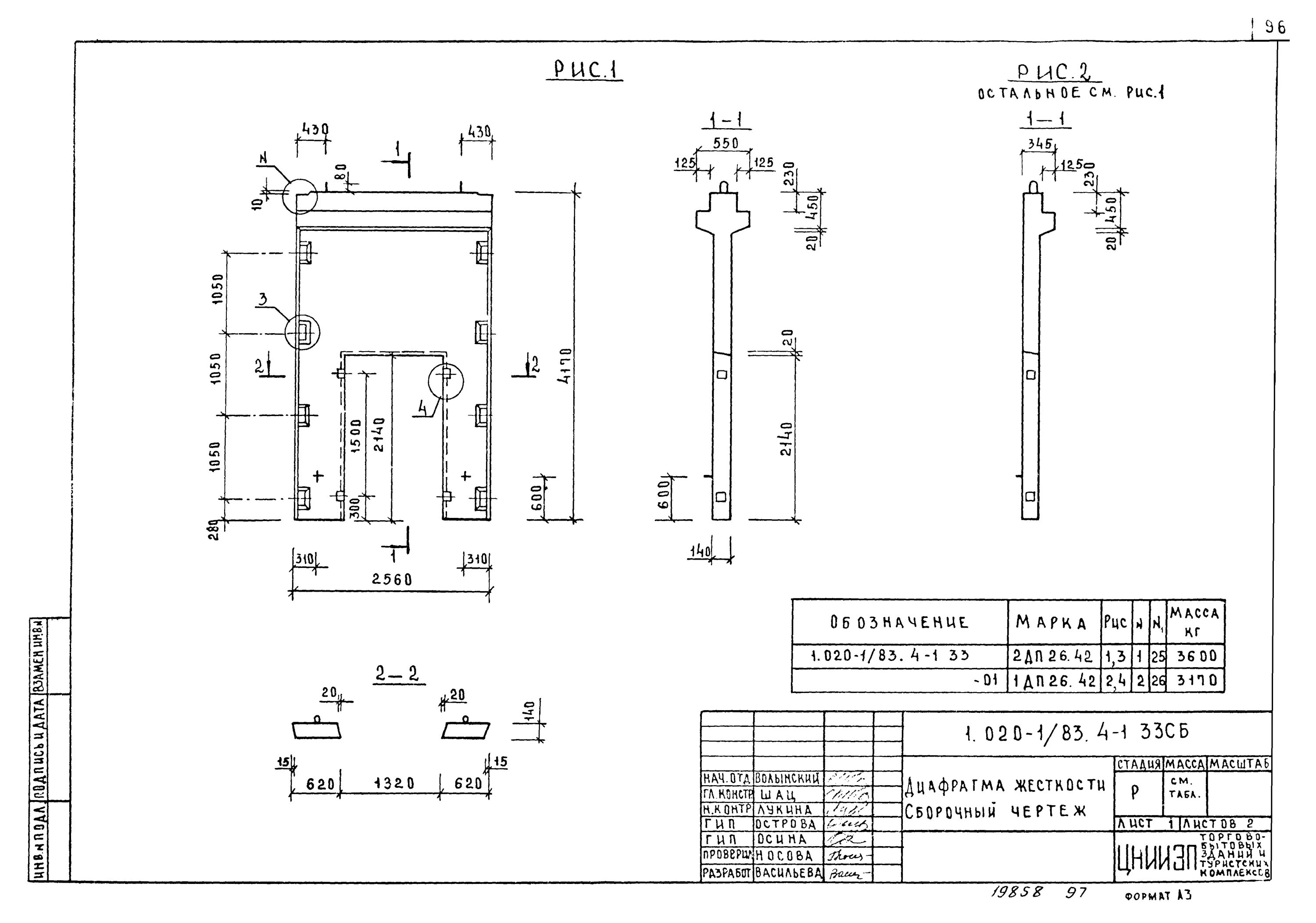
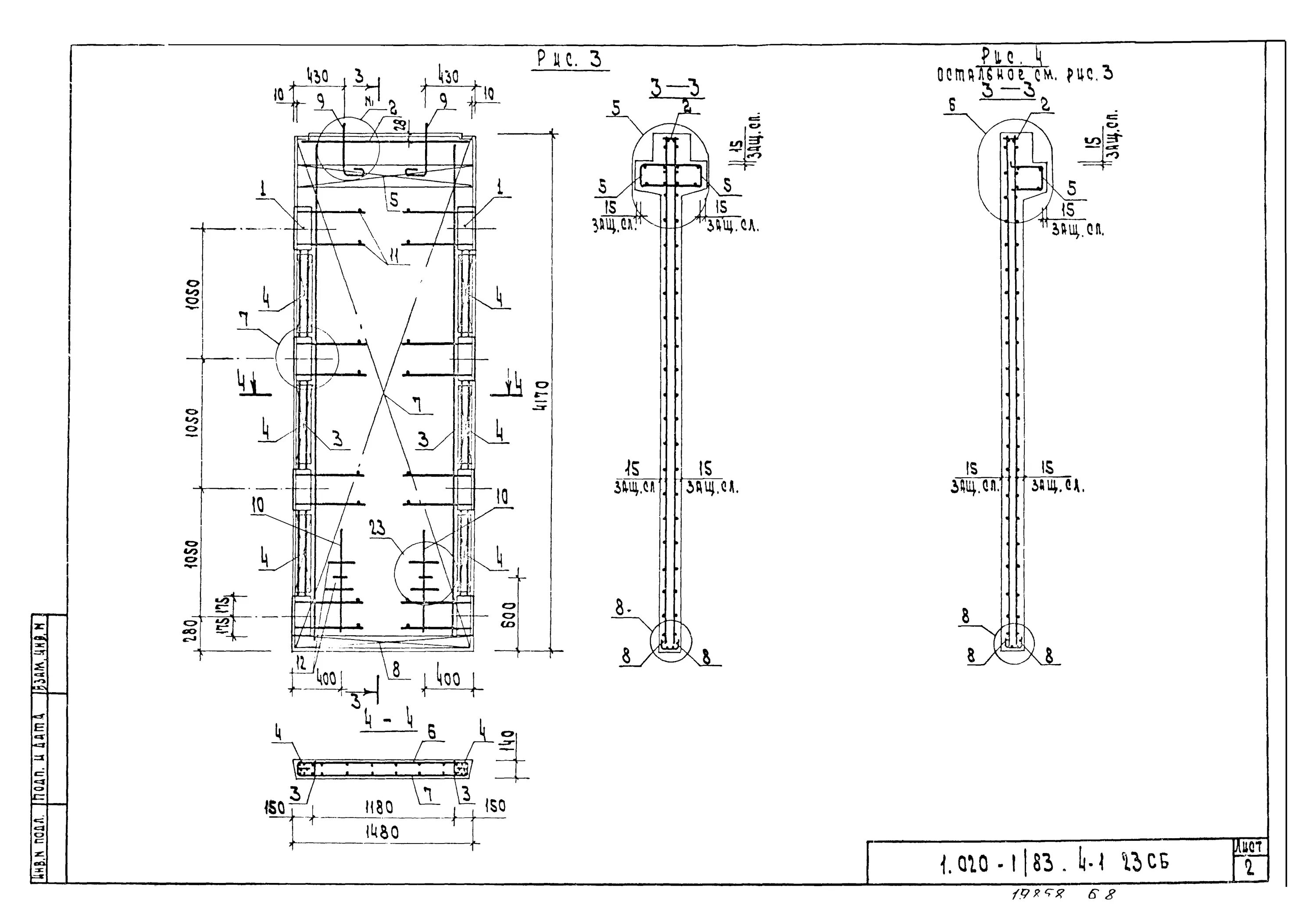
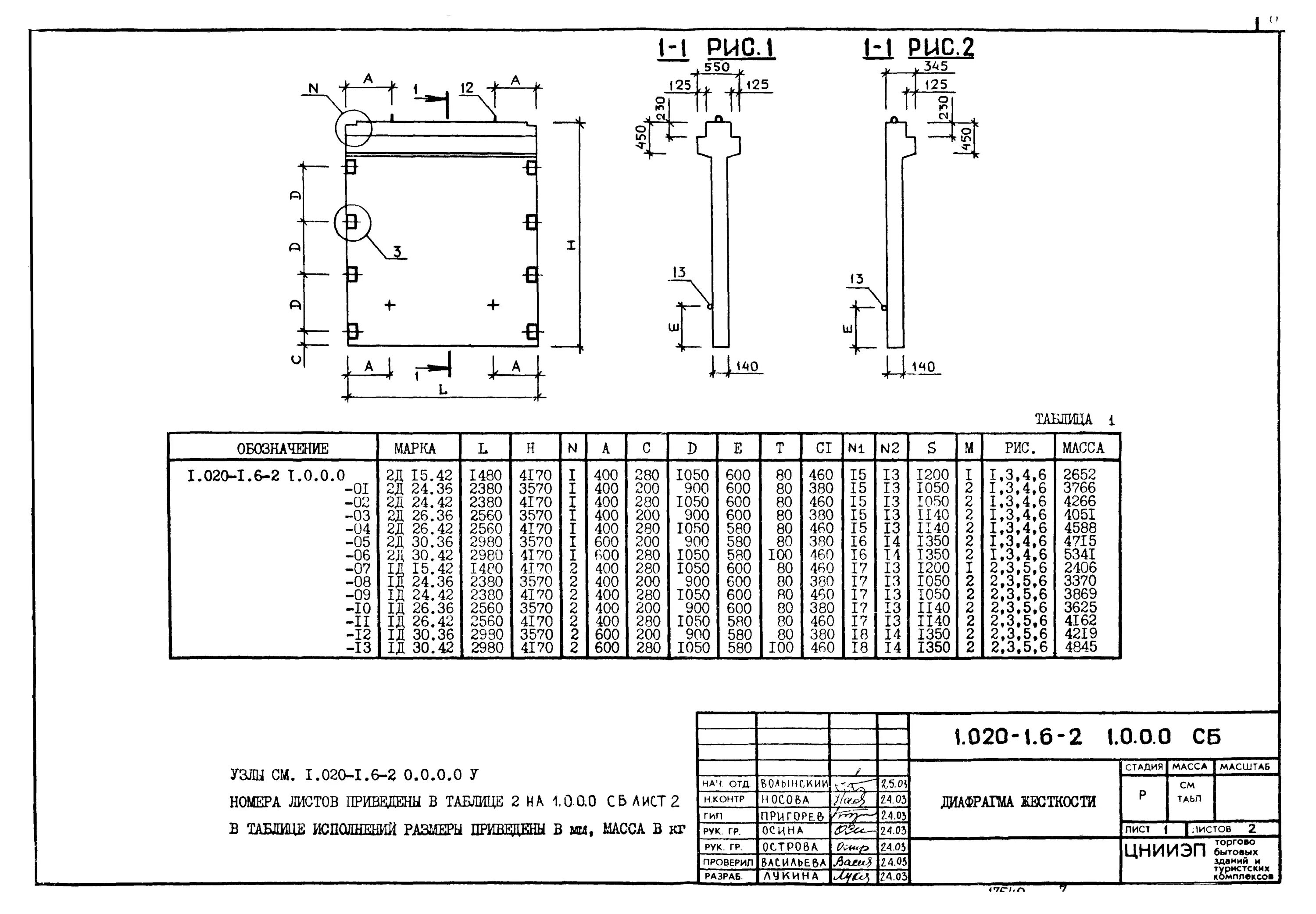
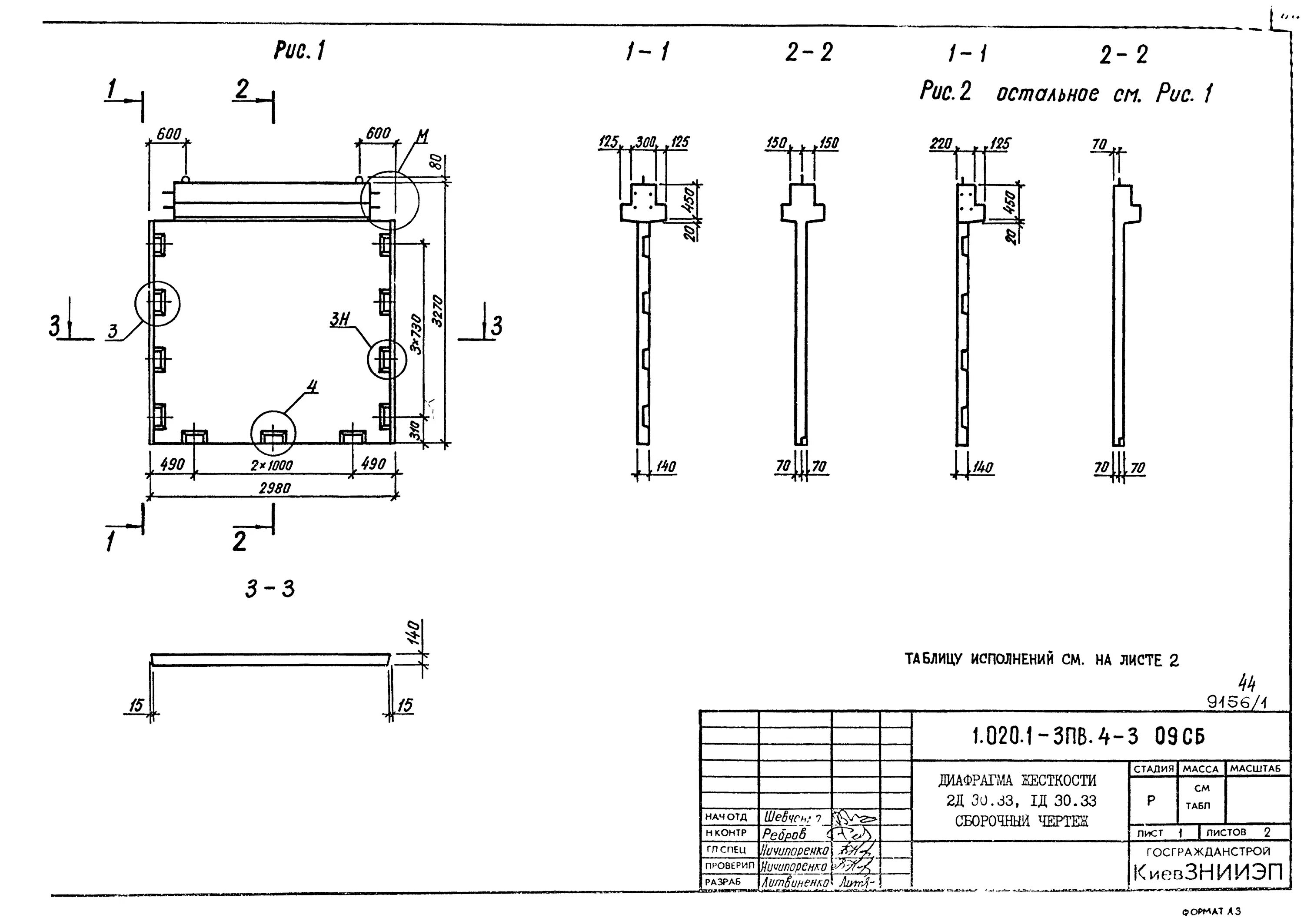
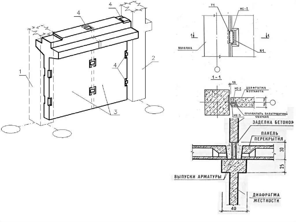
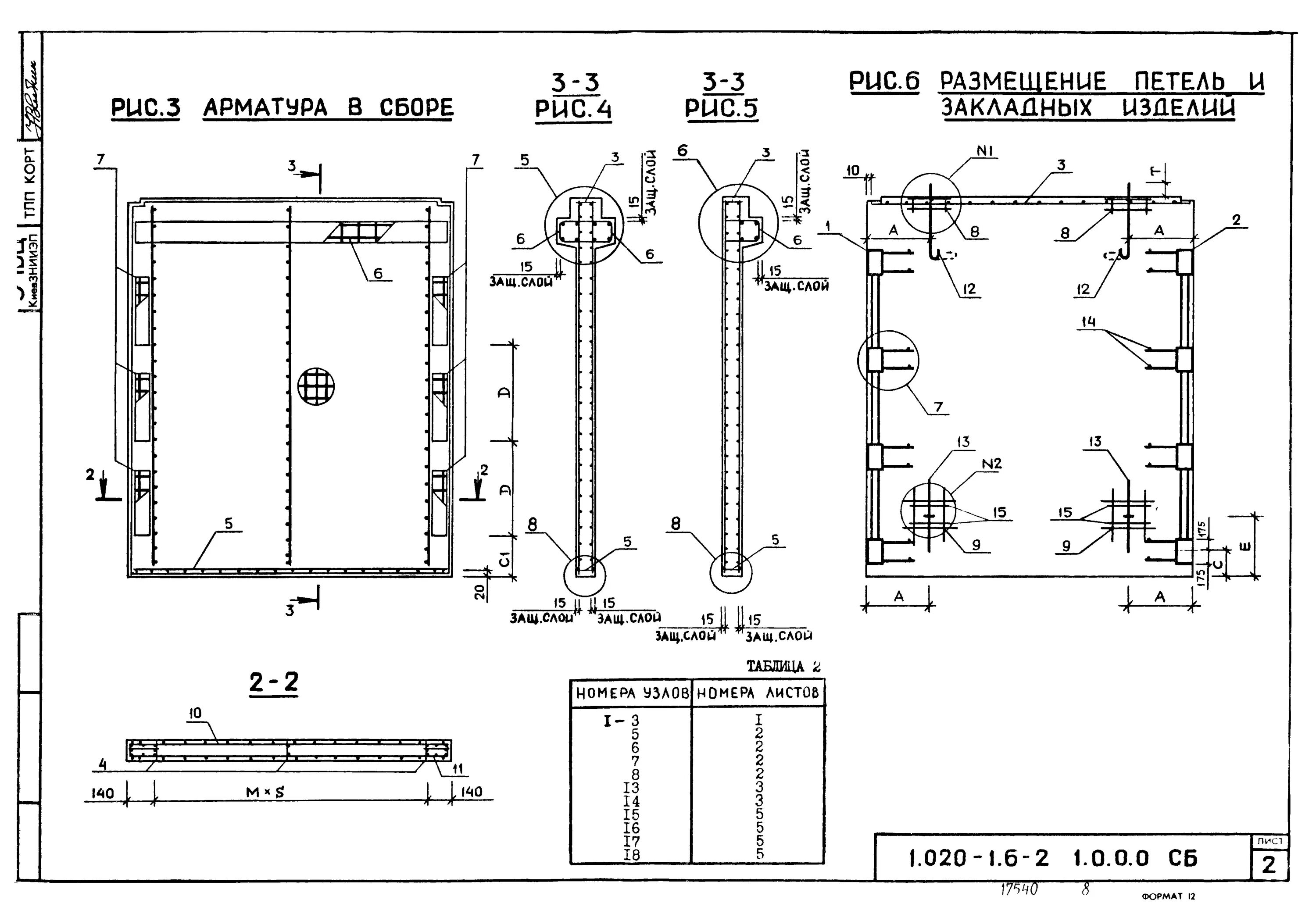
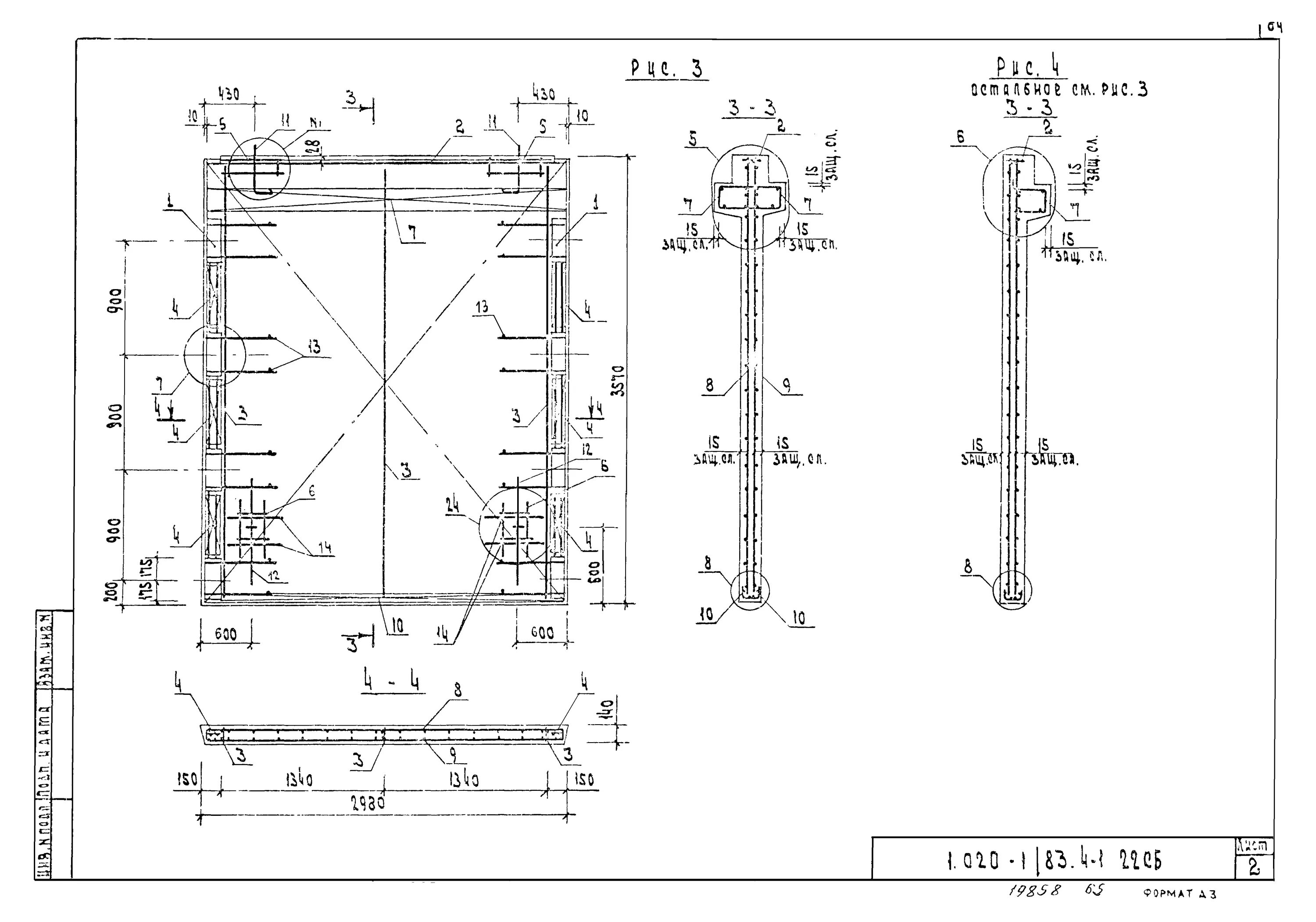
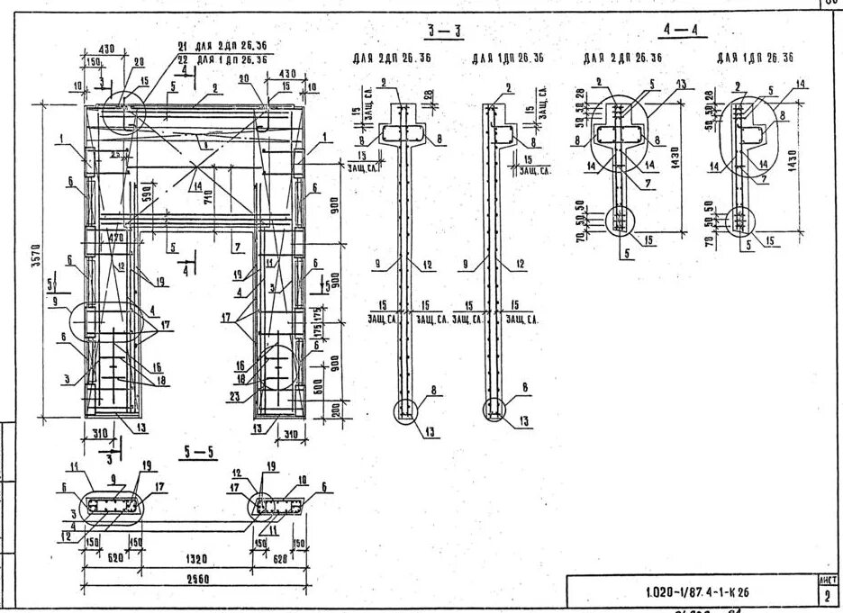
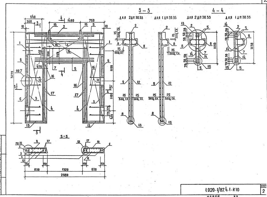
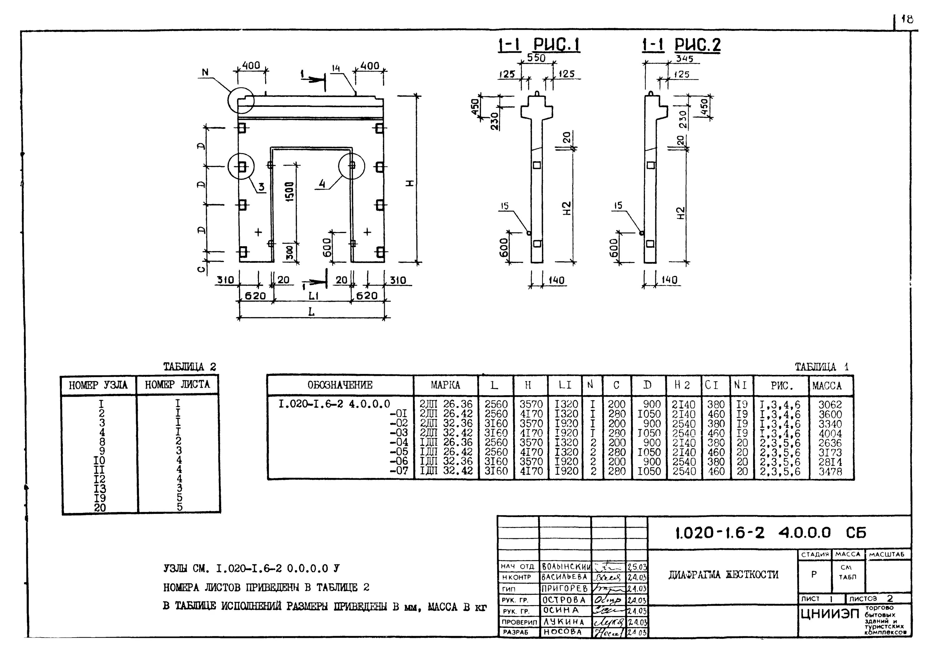
Диафрагма жесткости здания