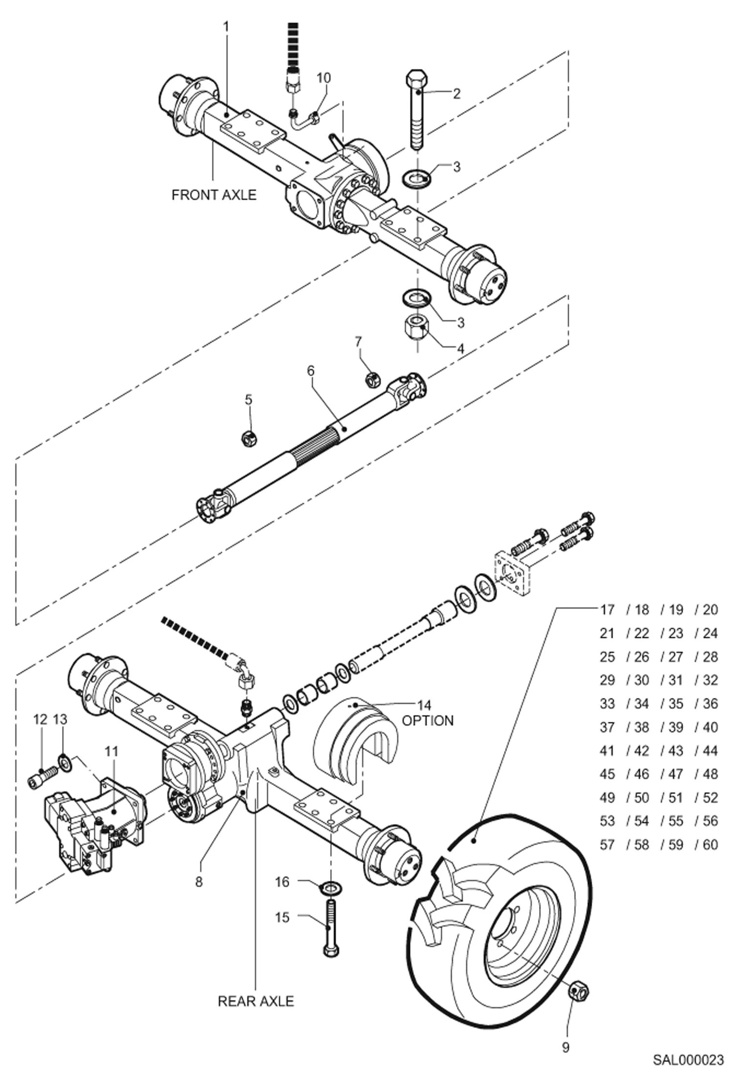
Деталь позволяющая установить колесо на ось